Запчасти Case IH DX34 (03.14) - PTO GEARS (03) - TRANSMISSION

Схема запчастей Case IH DX34 - (03.14) - PTO GEARS (03) - TRANSMISSION
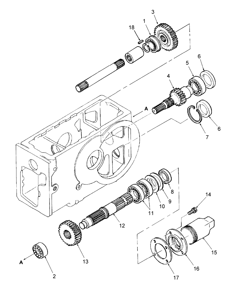
15
6
3
16
6
10
9
1
2
11
18
7
4
5
17
13
8
14
12
FIT
1:1
100%

Артикул

Название

Примечание

Количество

1

166078

BALL BEARING,24.99mm ID x 52mm OD x 15mm W

1шт.

1

SBA040109029

BALL

Used with PTO Shaft SBA322590544

1шт.

USED ON & ABOVE DRIVELINE 2M65215-DX31 & 2M65221-DX34 & DX35

1шт.

2

210041

BALL BEARING,25mm ID x 52mm OD x 15mm W

1шт.

2

SBA040109054

BALL BEARING,25mm ID x 52mm OD x 15mm W

1шт.

USED ON & ABOVE DRIVELINE 2M65215-DX31 & 2M65221-DX34 & DX35

1шт.

3

SBA322323600

GEAR

Fixing A

1шт.

4

SBA322571660

COUNTERSHAFT

PTO, Rear, W/HST

1шт.

4

SBA322571540

COUNTERSHAFT

PTO, Rear, W/9x3Corr

1шт.

5

210064

BALL BEARING,30mm ID x 62mm OD x 16mm W

#6206

1шт.

6

SBA322140280

COVER

Seal

2шт.

7

370012

RING,M62, Internal

1шт.

8

5116701

SEAL,35mm ID x 55mm OD x 11mm Thk

Oil

1шт.

9

SBA199280650

SHIM,0.5mm Thk

1шт.

10

SBA199280640

SHIM,0.2mm Thk

1шт.

11

28042470

BALL BEARING,35mm ID x 62mm OD x 14mm W

2шт.

12

SBA322590543

PTO SHAFT

Output Spline Length 56mm

1шт.

12

SBA322590544

PTO SHAFT

Output Spline Length 57mm

1шт.

USED ON & ABOVE DRIVELINE 2M65215-DX31 & 2M65221-DX34 & DX35

1шт.

13

SBA322342260

GEAR

Slide A W/HST, 21T

1шт.

13

SBA322342090

GEAR

Slide A W/9x3, 20T

1шт.

14

SBA011510820

CAPTIVE WASHER SCREW,Hex, M8 x 20, G5

4шт.

15

SBA378110021

GUARD

Cap, PTO

1шт.

16

SBA322141800

COVER

Seal

1шт.

17

SBA322991020

GASKET

1шт.

18

130045

PIN,5mm OD x 26mm L, Slotted

1шт.

Выбрано товаров: 26