Запчасти Case IH DX34 (03.15) - MID PTO & KIT - 710801013 (03) - TRANSMISSION

Схема запчастей Case IH DX34 - (03.15) - MID PTO & KIT - 710801013 (03) - TRANSMISSION
13
28
39
7
2
37
37
19
12
9
36
32
34
10
19
31
21
4
22
20
5
8
18
1
27
18
29
31
24
17
11
25
1a
15
33
26
9
38
30
35
14
6
9
12
16
3
23
FIT
1:1
100%

Артикул

Название

Примечание

Количество

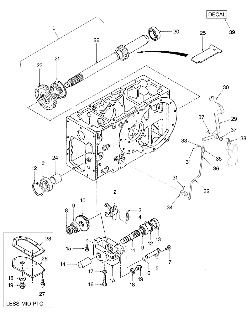
1

710801046

DIA KIT, TRACTOR

Kit Includes: 1A - 39

1шт.

1a

SBA322116680

HOUSING

1шт.

2

SBA324411560

SHIFTER FORK

1шт.

3

V34014

BALL

1шт.

4

SBA398210280

SPRING

1шт.

5

SBA324300500

ROD

Shifter

1шт.

6

SBA052109076

O-RING,2.4mm Thk x 10.8mm ID

P11

1шт.

7

16043224

BOLT,Hex, M8 x 16mm, Cl 8.8

1шт.

8

SBA050203125

SEAL

Oil Mid PTO Output Shaft

1шт.

9

210041

BALL BEARING,25mm ID x 52mm OD x 15mm W

3шт.

10

SBA322342270

GEAR

Slide

1шт.

11

SBA322590530

SHAFT

Mid PTO Output

1шт.

12

33915

SNAP RING,2.062", Int, #206

2шт.

13

SBA322140640

PLUG

Seal ID= 1.766" x OD=2.06" x 0.398" thick

1шт.

14

SBA398115500

CAP COVER

1шт.

15

120104

BOLT,Hex, M8 x 1.25 x 20mm, Cl 8.8

3шт.

16

300510

BOLT,Hex, M8 x 65mm, Cl 8.8

4шт.

17

492-11031

LOCK WASHER,5/16"

4шт.

18

SBA025100016

WASHER,16.4mm ID x 27mm OD x 2mm Thk

Seal #16

1шт.

19

SBA064600016

PLUG

M16

1шт.

20

210064

BALL BEARING,30mm ID x 62mm OD x 16mm W

1шт.

21

SBA040156206

BEARING ASSY,60mm ID x 62mm OD x 16mm W

Ball

1шт.

22

SBA322571300

COUNTERSHAFT

PTO

1шт.

23

SBA322326930

GEAR

Fixing A

1шт.

24

SBA399234250

COLLAR

1шт.

25

SBA322280200

PLATE

L/MID, PTO

1шт.

26

SBA322200770

COVER

L/MID, PTO

1шт.

27

SBA011510816

BOLT

M8 x 16, , L/MID, PTO

7шт.

28

SBA322991031

GASKET

L/MID, PTO

1шт.

For W/Mid PTO, Use Liquid Gasket

1шт.

29

86524800

LEVER

Mid PTO, Includes: Ref 37

1шт.

30

86403809

KNOB

Mid PTO

1шт.

31

280250

COTTER PIN,3/32" OD x 3/4" L

1шт.

32

86530925

CONNECTING LINK

Mid PTO

1шт.

33

200731

CLEVIS PIN,7.9mm OD x 26.72mm L

1шт.

34

SBA324105970

LEVER

Change

1шт.

35

86629512

YOKE,5/16" - 24

1шт.

36

87307

JAM NUT,Jam, 5/16"-24, G2

1шт.

37

86524680

BUSHING

2шт.

38

86531140

SWITCH

Safety, Mid PTO

1шт.

39

86532899

DECAL

Mid PTO

1шт.

Выбрано товаров: 41