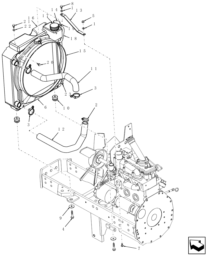
Запчасти Case IH DX35 (02.01) - COOLING SYSTEM, RADIATOR (02) - ENGINE EQUIPMENT

Схема запчастей Case IH DX35 - (02.01) - COOLING SYSTEM, RADIATOR (02) - ENGINE EQUIPMENT
14
13
21
10
6
17
19
3
9
22
15
20
1
18
1
11
3
5
7
23
16
12
4
2
8
FIT
1:1
100%

Артикул

Название

Примечание

Количество

1

322358

BELLEVILLE WASHER,M8 Bolt Size x 18mm OD x 1.4mm Thk

2шт.

2

513309

HOSE CLAMP,1-1/16” - 2”, Worm Gear

Hose, #24

1шт.

3

86400355

CLAMP

Hose

3шт.

4

9804264

FLANGE BOLT,M10 x 50mm, 26mm Thd, Cl 8.8

2шт.

5

9804277

FLANGE NUT,Hex, M8 x 1.25, Cl 8

1шт.

6

86402724

RADIATOR

1шт.

7

86507486

CARRIAGE BOLT,M8 x 1.25 x 20mm, Cl 8.8

1шт.

8

86511841

BOLT,Flng, M8 x 1.25 x 16mm, Full Thd, Cl 8.8

1шт.

9

86524667

WASHER,M10.3 x 38.1 x .15 Thk

2шт.

10

86524811

INSULATOR

2шт.

11

86549673

RADIATOR HOSE,33.00 mm ID x 341.5,100.5,65 mm, SAE J20R4 CLASS D2

1шт.

12

86549674

RADIATOR HOSE,33.00 mm ID x 275,178,175 mm, SAE J20R4 CLASS D2

1шт.

13

86558308

BRACKET

1шт.

14

86530802

RADIATOR CAP

1шт.

15

86400072

SHROUD

1шт.

16

86558482

BOTTLE

Recovery

1шт.

17

86507190

CAP

Recovery

1шт.

18

86400974

FUEL HOSE,7.94 mm ID x 1700.00 mm, SAE J30 R7

Cut to 200 mm or 7.874"

1шт.

86400974 measures 1700 mm or 66.929"

1шт.

19

86400352

CLAMP

1шт.

20

86401632

BOLT

M6 x 1.0

4шт.

21

120061

BOLT,Hex, M8 x 60mm L, Cl 8.8

2шт.

22

86511315

WASHER,8.4mm ID x 16mm OD x 1.8mm Thk

4шт.

23

86404010

DRAIN PLUG

Includes: 86512844 O-Ring

1шт.

Выбрано товаров: 24