Запчасти Case IH DX40 (10.14) - STEERING COLUMN, TILT (10) - OPERATORS PLATFORM/CAB

Схема запчастей Case IH DX40 - (10.14) - STEERING COLUMN, TILT (10) - OPERATORS PLATFORM/CAB
10c
10i
10f
9
10g
10j
10e
8
13
10b
10a
5
10e
7
10h
3
12
10d
11
10i
4
6
1
10
2
FIT
1:1
100%

Артикул

Название

Примечание

Количество

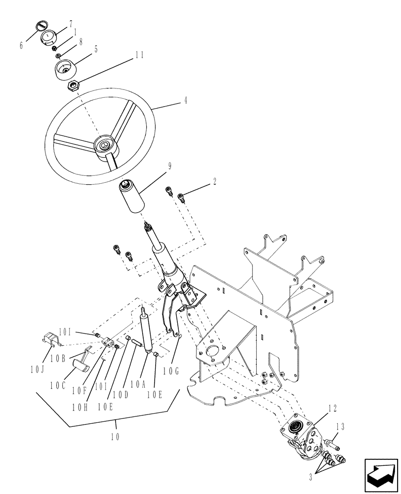
1

126712A1

TUBE,3" OD, 1962 mm Length

1шт.

2

120052

HEX SOC SCREW,M10 x 25mm, Cl 8.8

4шт.

3

76350

HYD CONNECTOR,9/16" - 18 ORB x 9/16" - 18 JIC

3шт.

4

9821708

STEERING WHEEL

1шт.

5

87302160

KNOB

Adjuster

1шт.

6

86401707

EMBLEM

CIH Logo

1шт.

6a

87308002

DISC

Used to Improve Retention of CIH Logo in Steering Wheel

1шт.

Not Illustrated

1шт.

7

87302798

CAP,54mm OD, Black

Steering Wheel Cap

1шт.

8

86511315

WASHER,8.4mm ID x 16mm OD x 1.8mm Thk

1шт.

9

86522881

COVER

Telescope

1шт.

10

87329101

STEERING COLUMN

Includes Ref. 10A - 10I

1шт.

10a

86522914

SHOCK ABSORBER

Gas

1шт.

10b

87333647

HANDLE

Tilt Lever

1шт.

10c

87333649

HANDLE

1шт.

10d

87333650

PIN,M10 x 45 L

1шт.

10e

87333651

SPACER

2шт.

10f

87335459

BLOCK

1шт.

10g

800-4310

CIRCLIP,M10

1шт.

10h

NS

NOT SERVICED

3 x24mm Coiled Spring Pin

1шт.

10i

84582797

HEX SOC SCREW

Hex Soc Hd, M8 x 12, 8.8

2шт.

10j

86401203

COVER

Gas Strut

1шт.

11

86530985

JAM NUT,13/16"-20

1шт.

12

86402720

HYDRAULIC STEERING

Power Motor

1шт.

13

87360975

HYD CONNECTOR,3/8" Barb x 9/16"-18 x 2 3/16" L

Hose

1шт.

Выбрано товаров: 25