Запчасти Case IH DX40 (03.09) - FRONT TRANSMISSION GEARS, HST (03) - TRANSMISSION

Схема запчастей Case IH DX40 - (03.09) - FRONT TRANSMISSION GEARS, HST (03) - TRANSMISSION
22
4
7
8
8
36
1
11
31
34
15
29
16
20
32
27
3
32
17
18
6
3
2
33
24
23
33
10
25
21
13
13
25
12
30
19
35
9
26
14
4
5
33
28
33
FIT
1:1
100%

Артикул

Название

Примечание

Количество

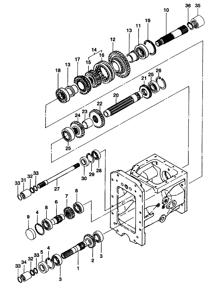
1

SBA322513730

DRIVEN SHAFT

1шт.

2

SBA322325910

GEAR

Fixing A

1шт.

3

SBA040109054

BALL BEARING,25mm ID x 52mm OD x 15mm W

2шт.

4

33915

SNAP RING,2.062", Int, #206

2шт.

6

SBA322531641

GEAR SHAFT

1шт.

5

SBA050209073

SEAL

Oil

1шт.

7

SBA322325901

GEAR

Fixing A

1шт.

8

SBA040109054

BALL BEARING,25mm ID x 52mm OD x 15mm W

2шт.

9

SBA322140640

PLUG

Seal ID= 1.766" x OD=2.06" x 0.398" thick

1шт.

10

SBA322521320

MAIN SHAFT

1шт.

11

37203

BALL BEARING,34.99mm ID x 72mm OD x 17mm W

1шт.

12

SBA322382520

GEAR

Counter B

1шт.

13

SBA322612800

COUPLING

Main

2шт.

14

SBA322031811

GEAR

Includes: Ref. 15 & 16

1шт.

15

NSS

NOT SOLD SEPARAT

Hub

1шт.

16

NSS

NOT SOLD SEPARAT

Gear, Slide A

1шт.

17

SBA322382530

GEAR

Counter B

1шт.

18

210064

BALL BEARING,30mm ID x 62mm OD x 16mm W

1шт.

19

370018

SNAP RING,M72, Internal

1шт.

20

SBA322531650

COUNTERSHAFT

1шт.

21

SBA322325870

GEAR

Fixing A

1шт.

22

SBA322325880

GEAR

Fixing A

1шт.

23

SBA399231140

COLLAR

1шт.

24

SBA322325890

GEAR

Fixing A

1шт.

25

SBA040109034

BALL BEARING,32mm ID x 65mm OD x 17mm W

2шт.

26

SBA036500065

SNAP RING

1шт.

27

SBA322513720

DRIVEN SHAFT

1шт.

28

SBA040106004

BALL BEARING

1шт.

29

300645

SNAP RING,M42, Int

1шт.

30

SBA198636090

OIL SEAL

Oil

1шт.

31

SBA322611120

COUPLING

1шт.

32

11058076

SNAP RING,M22, Int

2шт.

33

SBA052100210

O-RING

4шт.

34

SBA322613080

COUPLING

1шт.

35

SBA322610940

COUPLING

1шт.

36

301646

CIRCLIP

Int, M32

1шт.

Выбрано товаров: 36