Запчасти Case IH DX40 (03.18) - HST ASSEMBLY (03) - TRANSMISSION

Схема запчастей Case IH DX40 - (03.18) - HST ASSEMBLY (03) - TRANSMISSION
40
61
44
60
51
70
11
19
58
27
57
18
21
29
13
50
4
15
34
14
76
75
5
45
68
53a
48
47
54
39
52
44
45
55
37
12
30
33
7
50
43
46
24
42
32
39
54
28
1
41
36
9
56
64
10
62
31
74
43
49
22
23
17
6
20
2
25
48
55
41
58
67
63
42
26
3
40
56
1a
52
8
38
51
49
58
57
65
64
53
59
35
16
FIT
1:1
100%

Артикул

Название

Примечание

Количество

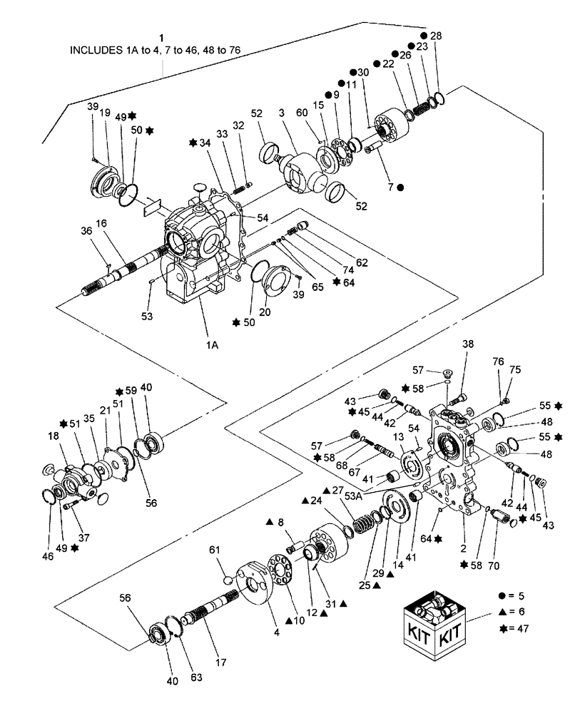
1

SBA322800131

TRANSMISSION, HYDROS

HST Includes: Ref. 1A thru 4, 7 thru 46 & 48 thru 76

1шт.

1

SBA322800132R

REMAN-TRANSMISSION

Remanufactured Hydrostatic Transmission

1шт.

1

SBA322800132C

CORE-TRANSMISSION

Return Number, Hydrostatic Transmission

1шт.

1a

NSS

NOT SOLD SEPARAT

Case

1шт.

1

SBA322800131C

CORE-TRANSMISSION

Return Number, Hydrostatic Transmission

1шт.

2

NSS

NOT SOLD SEPARAT

Port Block

1шт.

3

NSS

NOT SOLD SEPARAT

Plate

1шт.

4

SBA322840789

PLATE

Trunnion

1шт.

5

SBA322840934

KIT

Includes: Ref. 7,9,11,22,23,26,28 & 30

1шт.

6

SBA322840762

KIT

Includes: Ref. 8, 10, 12, 24, 25, 27, 29 & 31

1шт.

7

NSS

NOT SOLD SEPARAT

Piston Assy

9шт.

8

NSS

NOT SOLD SEPARAT

Piston Assy

9шт.

9

NSS

NOT SOLD SEPARAT

Plate

1шт.

10

NSS

NOT SOLD SEPARAT

Plate

1шт.

11

NSS

NOT SOLD SEPARAT

Holder

1шт.

12

NSS

NOT SOLD SEPARAT

Holder

1шт.

13

SBA322840929

PLATE

Valve

1шт.

14

SBA322840764

PLATE

Valve

1шт.

15

SBA322840765

THRUST PLATE

1шт.

16

NSS

NOT SOLD SEPARAT

Shaft, Input

1шт.

17

NSS

NOT SOLD SEPARAT

Shaft, Output

1шт.

18

SBA322840766

CASE

Case, Charge Pump

1шт.

19

SBA322840767

COVER

1шт.

20

SBA322840768

COVER

1шт.

21

SBA322840620

PLATE

1шт.

22

NSS

NOT SOLD SEPARAT

Sheet, Spring

1шт.

23

NSS

NOT SOLD SEPARAT

Washer

1шт.

24

NSS

NOT SOLD SEPARAT

Collar

1шт.

25

NSS

NOT SOLD SEPARAT

Collar

1шт.

26

NSS

NOT SOLD SEPARAT

Spring

1шт.

27

NSS

NOT SOLD SEPARAT

Spring

1шт.

28

NSS

NOT SOLD SEPARAT

RING Snap

1шт.

29

300644

SNAP RING,M40, Internal

1шт.

30

NSS

NOT SOLD SEPARAT

Pin

3шт.

31

NSS

NOT SOLD SEPARAT

Pin

3шт.

32

SBA322840728

CONTROL VALVE

1шт.

33

SBA322840930

SPRING

1шт.

34

NSS

NOT SOLD SEPARAT

Gasket

1шт.

35

SBA322840770

ROTOR

1шт.

36

SBA322840771

KEY

1шт.

37

86531614

HEX SOC SCREW,M8 x 35mm, Cl 12.9

4шт.

38

SBA322840772

BOLT

M12 x 38

11шт.

39

SBA015200614

SCREW

6шт.

40

20996680

BALL BEARING,25mm ID x 62mm OD x 17mm W

2шт.

41

SBA322840788

NEEDLE BEARING

2шт.

42

SBA322840931

CONTROL VALVE

2шт.

43

SBA322840774

PLUG

2шт.

44

SBA322840775

SPRING

2шт.

45

NSS

NOT SOLD SEPARAT

O-Ring

2шт.

46

SBA036500045

SNAP RING

1шт.

47

SBA322840933

REPAIR KIT

Includes: Ref. 34,45,48,49,50,51,58 & 64

1шт.

48

NSS

NOT SOLD SEPARAT

Oil Seal

2шт.

49

NSS

NOT SOLD SEPARAT

Oil Seal

2шт.

50

NSS

NOT SOLD SEPARAT

O-Ring

2шт.

51

NSS

NOT SOLD SEPARAT

O-Ring

2шт.

52

SBA322840776

BUSHING

2шт.

53

SBA410810460

PIN

2шт.

53a

SBA322840928

PIN

2шт.

54

SBA410810430

PIN

4шт.

55

300644

SNAP RING,M40, Internal

2шт.

56

370002

CIRCLIP,M25, External

2шт.

57

SBA322840777

PLUG

Neutral Valve

3шт.

58

NSS

NOT SOLD SEPARAT

O-Ring

5шт.

59

SBA322840778

COLLAR

1шт.

60

SBA322840779

PIN

2шт.

61

SBA322840780

BALL

2шт.

62

SBA322840781

PISTON ASSY

2шт.

63

370012

RING,M62, Internal

1шт.

64

NSS

NOT SOLD SEPARAT

O-Ring

2шт.

65

NSS

NOT SOLD SEPARAT

Orifice

4шт.

67

NSS

NOT SOLD SEPARAT

Spool

1шт.

68

SBA322840785

SPRING

1шт.

70

SBA322840786

PLUG

1шт.

74

SBA322840787

SPRING

2шт.

75

SBA322840777

PLUG

2шт.

76

370002

CIRCLIP,M25, External

2шт.

Выбрано товаров: 0