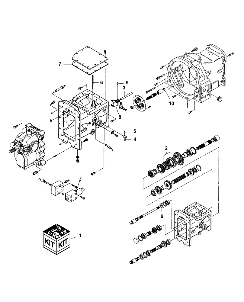
Запчасти Case IH DX40 (03.06.01) - IMPROVED GEAR KIT, RANGE SELECTOR JUMP OUT (03) - TRANSMISSION

Схема запчастей Case IH DX40 - (03.06.01) - IMPROVED GEAR KIT, RANGE SELECTOR JUMP OUT (03) - TRANSMISSION
8
1
6
3
5
10
9
7
5
4
2
FIT
1:1
100%

Артикул

Название

Примечание

Количество

1

SBA3K4331000

FIP KIT

Includes: Ref. 2 thru 10

1шт.

2

SBA322031811

GEAR

1шт.

3

SBA324313001

ROD

Shift

1шт.

4

SBA324106831

LEVER

Change

1шт.

5

300868

ROLL PIN,6mm OD x 36mm L, Slotted

M6 x 36

2шт.

6

SBA398215740

SPRING

1шт.

7

SBA322991171

GASKET

1шт.

8

SBA324412420

SHIFT, FORK

1шт.

9

SBA198636090

OIL SEAL

Oil

1шт.

10

11058076

SNAP RING,M22, Int

1шт.

Выбрано товаров: 10