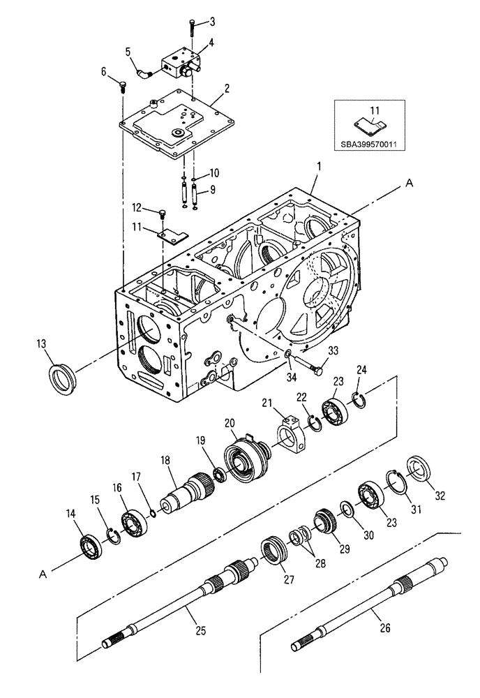
Запчасти Case IH DX40 (03.13) - REAR TRANSMISSION PTO DRIVE, UPPER (03) - TRANSMISSION

Схема запчастей Case IH DX40 - (03.13) - REAR TRANSMISSION PTO DRIVE, UPPER (03) - TRANSMISSION
18
13
9
20
12
5
10
26
3
32
11
2
15
27
23
23
19
25
4
1
14
30
29
11
34
33
28
17
24
21
16
6
22
FIT
1:1
100%

Артикул

Название

Примечание

Количество

1

SBA322117410

CASING

Rear Differential, HST

1шт.

USED ON & ABOVE DRIVELINE SERIAL # 3M45727 D35, DX35

1шт.

USED ON & ABOVE DRIVELINE SERIAL # 3M45737 DX45, DX45

1шт.

Location To Install The L Shaped Stop Plate Was Lowered By 3mm In Order To Increase The Contact Surface Width Between The L Shaped Stop Plate & Brake Plate Up To 6mm

1шт.

USED ON & ABOVE DRIVELINE SERIAL # 3M45726 D40, DX40

1шт.

1

SBA322117413

CASING

Rear Differential, HST

1шт.

USED ON & ABOVE DRIVELINE SERIAL # 3M59721 DX40

1шт.

USED ON & ABOVE DRIVELINE SERIAL # 3M59821 DX35

1шт.

USED ON & ABOVE DRIVELINE SERIAL # 3M59945 D45

1шт.

USED ON & ABOVE DRIVELINE SERIAL # 3M59704 DX45

1шт.

USED ON & ABOVE DRIVELINE SERIAL # 3M60001 D35, D40

1шт.

1

SBA322118940

CASE

Rear Differential, 12x12

1шт.

2

SBA322213431

COVER

PTO Indicator

1шт.

3

SBA011310645

CAPTIVE WASHER SCREW,Hex, M6 x 45, Cl 8.8

3шт.

4

SBA340016070

HYDRAULIC VALVE

PTO Control, D35 & DX35 Refer to Fig. 03.13.01 for Components

1шт.

Replaced by SBA340016471 Valve. Component Parts still serviced

1шт.

4

SBA340016471

HYDRAULIC VALVE

PTO Control, D35, DX35 Refer to Fig. 03.13.02 for Components

1шт.

USED ON & ABOVE DRIVELINE SN 3M44132 DX35 HST

1шт.

USED ON & ABOVE DRIVELINE SN 3M44130 D35 12x12 2WD & 4WD

1шт.

4

SBA340015980

HYDRAULIC VALVE

PTO Control, D40, DX40, D45, DX45 Refer to Fig. 03.13.01 for Components

1шт.

Replaced by SBA340016471 Valve. Component Parts still serviced

1шт.

4

SBA340016461

HYDRAULIC VALVE

PTO Control, D40, DX40, D45, DX45 Refer to Fig. 03.13.02 for Components

1шт.

USED ON & ABOVE DRIVELINE SN 3M43961 D45 12X12 2WD & 4WD

1шт.

USED ON & ABOVE DRIVELINE SN 3M43730 D40 12x12 2WD & 4WD

1шт.

USED ON & ABOVE DRIVELINE SN 3M43734 DX40 HST

1шт.

USED ON & ABOVE DRIVELINE SN 3M43727 DX45 HST

1шт.

5

SBA340671580

ADAPTER

1шт.

6

SBA010109424

BOLT

W/Washer

12шт.

9

SBA340615850

RIGID TUBE

2шт.

10

SBA052120070

O-RING

4шт.

11

SBA399570011

PLATE

L Shaped with Stepped Profile. Refer to Product Update Program A1804

1шт.

11

SBA399569181

PLATE

L Shaped Flat Profile

1шт.

USED ON & ABOVE DRIVELINE 3M45727-D35,DX35 3M45726-D40,DX40 3M45737-D45,DX45

1шт.

12

SBA011510820

CAPTIVE WASHER SCREW,Hex, M8 x 20, G5

2шт.

13

SBA322262830

HOLDER

Bearing

1шт.

14

86516078

BALL BEARING,40mm ID x 68mm OD x 15mm W

1шт.

15

370007

SNAP RING,M45, Ext

1шт.

16

SBA040106009

BALL BEARING

1шт.

17

SBA036500018

SNAP RING

1шт.

18

SBA322590860

SHAFT

PTO Indicator

1шт.

19

SBA040106004

BALL BEARING

1шт.

20

SBA320041051

CLUTCH

PTO, Refer to Fig. 03.04.02 for Components

1шт.

21

SBA340330131

COVER

Swivel Joint

1шт.

21

SBA340330132

COVER

Swivel Joint

1шт.

USED ON & ABOVE DRIVELINE SN 3M50637 (D35,DX35) 3M50617 (D40,DX40) & 3M50667 (D45,DX45)

1шт.

22

SBA036100055

SNAP RING

1шт.

23

46805

BALL BEARING,30mm ID x 72mm OD x 19mm W

2шт.

24

SBA036100055

SNAP RING

W/HST

1шт.

25

SBA322571400

COUNTERSHAFT

PTO, W/HST

1шт.

26

SBA322571410

COUNTERSHAFT

PTO, DX45 W/HST & D35, D40 & D45 W/12X12

1шт.

27

SBA322460060

SLEEVE

W/HST

1шт.

28

SBA042200135

BEARING ASSY

Needle, W/HST

2шт.

29

SBA322382480

GEAR

Mid-PTO, W/HST

1шт.

30

SBA399260890

THRUST WASHER

W/HST

1шт.

31

370018

SNAP RING,M72, Internal

TC35DA, TC40DA W/HST

1шт.

32

SBA322140270

COVER

Seal, TC35DA, TC40DA W/HST

1шт.

33

SBA399430630

BOLT

2шт.

34

SBA025100010

SEALING WASHER,9.2mm ID x 17mm OD x 1.8mm Thk

2шт.

Выбрано товаров: 58