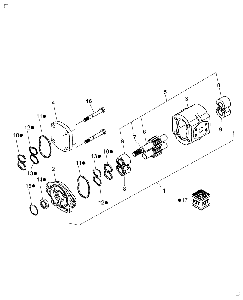
Запчасти Case IH DX40 (07.09.02) - HYDRAULIC OIL PUMP (07) - HYDRAULIC SYSTEM

Схема запчастей Case IH DX40 - (07.09.02) - HYDRAULIC OIL PUMP (07) - HYDRAULIC SYSTEM
7
1
3
14
5
10
17
15
4
12
2
11
10
12
16
9
6
9
8
11
13
6
13
FIT
1:1
100%

Артикул

Название

Примечание

Количество

1

SBA340450991

HYDRAULIC PUMP

Includes: Ref. 2-16

1шт.

SBA340450991R

REMAN-HYD PUMP

D35 PIN # HBA015005 & ABOVE, D45 PIN # HBA015001 & ABOVE Both (8/03-), D40 PIN # HBA015022 & ABOVE (1/04-), DX35 PIN #HBA015014 & ABOVE - CLASS 3 (1/04-1/08), DX40 PIN# HBA015001 & ABOVE (8/03-), DX45 PIN # HBA015008 & ABOVE (11/03-)

1шт.

SBA340450991C

CORE-HYDRAULIC PUMP

Return Number

1шт.

2

SBA340293694

FLANGE

1шт.

3

NSS

NOT SOLD SEPARAT

BODY

1шт.

4

SBA340293674

COVER

1шт.

5

SBA340293678

KIT

Body, Includes: Ref. 6-9

1шт.

6

NSS

NOT SOLD SEPARAT

GEAR, DRIVE

1шт.

7

NSS

NOT SOLD SEPARAT

GEAR, DRIVEN

1шт.

8

NSS

NOT SOLD SEPARAT

BUSHING, R

2шт.

9

NSS

NOT SOLD SEPARAT

BUSHING, L

2шт.

10

SBA340293701

SEAL

Bushing

2шт.

11

SBA340293700

SEAL

Body

2шт.

12

SBA340293703

RING

Backing, R

2шт.

13

SBA340293705

RING

Backing, L

2шт.

14

SBA340293702

SEAL

Oil

1шт.

15

SBA036500034

SNAP RING

1шт.

16

SBA340293693

BOLT

4шт.

17

SBA340293698

SEAL KIT

Includes: Ref. 10-15

1шт.

Выбрано товаров: 19