Запчасти Case IH DX40 (10.08) - STEERING COLUMN, TILT (10) - OPERATORS PLATFORM/CAB

Схема запчастей Case IH DX40 - (10.08) - STEERING COLUMN, TILT (10) - OPERATORS PLATFORM/CAB
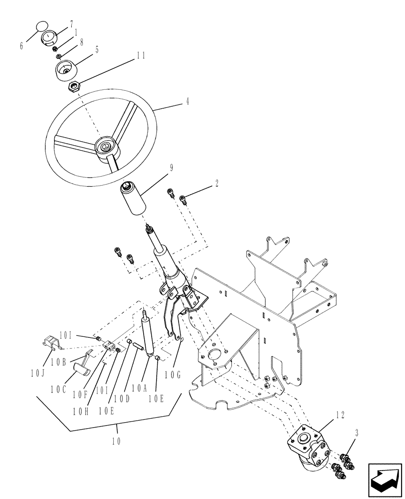
1
10e
7
5
10j
12
10i
10h
10a
3
10g
10c
9
10f
6
10
10e
4
8
10i
11
2
10b
10d
FIT
1:1
100%

Артикул

Название

Примечание

Количество

1

832-46408

NUT,M8 x 1.25, Cl 8

1шт.

2

120052

HEX SOC SCREW,M10 x 25mm, Cl 8.8

4шт.

3

128817

HYD CONNECTOR,3/4" - 16 ORB x 9/16" - 18 JIC

4шт.

4

9821708

STEERING WHEEL

1шт.

5

9821709

KNOB

Adjuster

1шт.

5

87302160

KNOB

1шт.

Used With Steering Column, 87329101

1шт.

6

86401696

EMBLEM CASE/IH

CIH Logo

1шт.

6

86401707

EMBLEM

Case/IH Emblem

1шт.

Used With Steering Column, 87329101

1шт.

6a

87308002

DISC

Used to improve retention of CIH Logo in Steering Wheel

1шт.

Not illustrated

1шт.

7

86504533

COVER

Steering Wheel Cap

1шт.

7

86401707

EMBLEM

Case/IH Emblem

1шт.

Used With Steering Column, 87329101

1шт.

8

86511315

WASHER,8.4mm ID x 16mm OD x 1.8mm Thk

1шт.

9

86522881

COVER

Telescope

1шт.

10

86403100

STEERING COLUMN

Includes Items 10A-10I

1шт.

Components Still Available. When Stock is Exhausted Order: (1) 87329101 Column, (1) 87302160 Knob, (1) 87302798 Hub Cap (1) 86401707 Emblem

1шт.

10

87329101

STEERING COLUMN

Includes Ref. 10A-10I

1шт.

10a

86522914

SHOCK ABSORBER

Gas

1шт.

10b

87333647

HANDLE

Tilt Lever

1шт.

10c

87333649

HANDLE

1шт.

10d

87333650

PIN,M10 x 45 L

1шт.

10e

87333651

SPACER

2шт.

10f

87335459

BLOCK

Dowel Lock

1шт.

10g

800-4310

CIRCLIP,M10

1шт.

10h

NS

NOT SERVICED

3 x24mm Coiled Spring Pin

1шт.

10i

84582797

HEX SOC SCREW

Hex Soc Hd, M8 x 12, 8.8

2шт.

10j

86401203

COVER

Gas Strut

1шт.

11

86530985

JAM NUT,13/16"-20

1шт.

12

86566453

HYDRAULIC STEERING

Power Steering Motor

1шт.

12

86566453R

REMAN-STEERING VALVE

DX35 (CLASS 3), PIN # HBA0005004 & ABOVE (12/00-1/04), DX40, PIN # HBA0005006 & ABOVE (12/00-8/03), DX45, PIN # HBA0005007 & ABOVE (12/00-11/03), All CASE IH COMPACT TRACTOR, Power Steering Motor

1шт.

12

86566453C

CORE-STEERING VALVE

Return Number

1шт.

12

86402720

HYDRAULIC STEERING

Power Steering Motor

1шт.

Used on and ASN HBA0005846 D40, D45

1шт.

Used on and ASN HBA0005903 DX35

1шт.

Выбрано товаров: 37