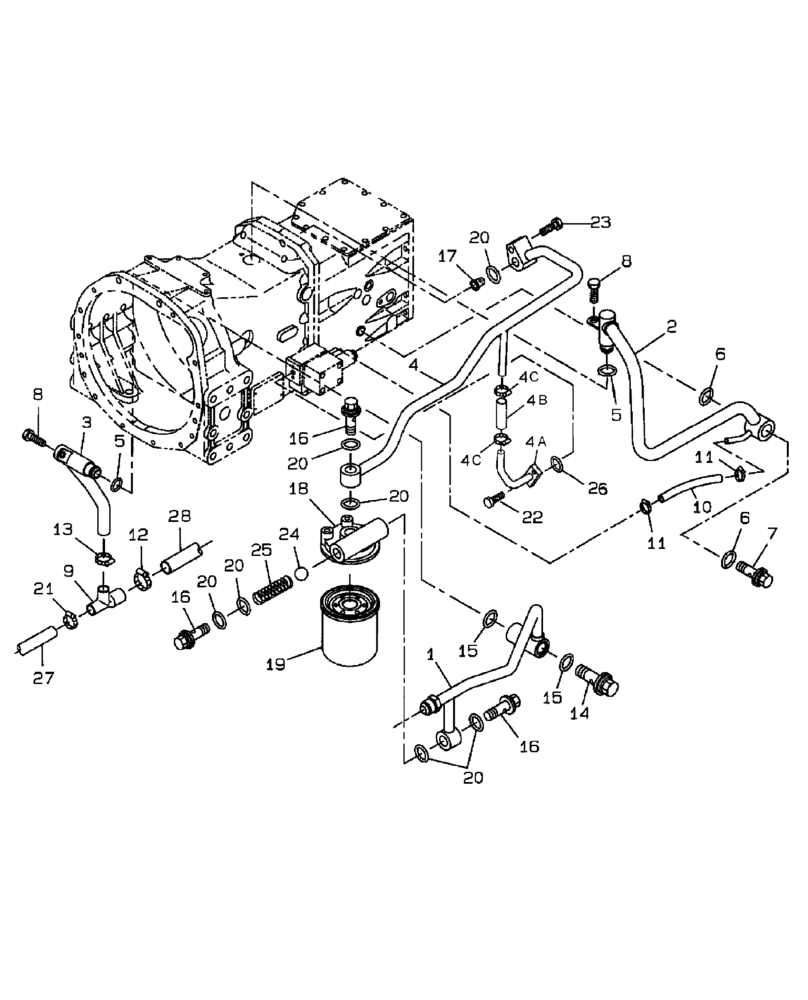
Запчасти Case IH DX45 (07.11) - HYDRAULIC PIPING W/HST (07) - HYDRAULIC SYSTEM

Схема запчастей Case IH DX45 - (07.11) - HYDRAULIC PIPING W/HST (07) - HYDRAULIC SYSTEM
15
7
5
4c
9
24
18
8
21
20
4a
10
17
3
23
20
13
20
20
16
19
16
16
22
5
1
26
2b
8
4b
11
6
20
25
2
15
4c
6
12
14
20
27
11
FIT
1:1
100%

Артикул

Название

Примечание

Количество

1

SBA340708230

RIGID TUBE

1шт.

2

SBA340708240

RIGID TUBE

1шт.

3

SBA340708220

RIGID TUBE

1шт.

4

SBA340550040

RIGID TUBE

W/HST, Right

1шт.

4a

SBA340550050

RIGID TUBE

W/HST, Right

1шт.

4b

SBA340692790

HOSE

1шт.

4c

SBA398756260

BAND

2шт.

5

SBA052100160

O-RING

2шт.

6

SBA052300250

O-RING

2шт.

7

SBA398480250

BANJO BOLT,1/2"

1шт.

8

SBA011510816

BOLT

M8 x 16

2шт.

9

SBA398120870

3 WAY CONNECTION

1шт.

10

SBA360770620

HOSE

Rubber

1шт.

11

SBA398750430

BAND

Hose

2шт.

12

SBA398750450

BAND

Hose

1шт.

13

SBA398750260

HOSE CLAMP

1шт.

14

SBA398481340

EYEBOLT

1шт.

15

SBA052100200

O-RING,2.4mm Thk x 19.8mm ID, 70 Duro

2шт.

16

SBA398480240

BANJO BOLT,3/8"

3шт.

17

SBA340520260

FILTER

1шт.

18

SBA340560440

FILTER HEAD

1шт.

19

SBA340500980

HYDRAULIC OIL FILTER

For Cold Weather Operation

1шт.

19

SBA340501030

FILTER

Oil, W/Internal Bypass

1шт.

20

SBA052100200

O-RING,2.4mm Thk x 19.8mm ID, 70 Duro

7шт.

21

SBA398750450

BAND

Hose

1шт.

22

86508568

BOLT,Hex, M6 x 1 x 16mm, Cl 8.8

2шт.

23

SBA011511045

BOLT

1шт.

24

SBA048100016

BALL

Steel

1шт.

25

SBA398213390

SPRING

1шт.

26

SBA052100120

O-RING

1шт.

27

SBA340550300

TUBE

1шт.

28

SBA340708130

RIGID TUBE

1шт.

29

86400268

HOLDER

P Shaped Clamp used to hold Ref. 27 & 28, Serial Range: tubes-transmission

1шт.

Not Illustrated

1шт.

Выбрано товаров: 34