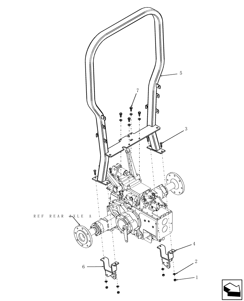
Запчасти Case IH DX45 (10.12) - FIXED ROPS ASSEMBLY (10) - OPERATORS PLATFORM/CAB

Схема запчастей Case IH DX45 - (10.12) - FIXED ROPS ASSEMBLY (10) - OPERATORS PLATFORM/CAB
1
ref rear axle a
3
2
4
6
7
5
FIT
1:1
100%

Артикул

Название

Примечание

Количество

1

832-46412

NUT,M12 x 1.75, Cl 8

4шт.

2

140046

BELLEVILLE WASHER,M12 Bolt Size x 27mm OD x 1.8mm Thk

8шт.

3

844-12045

BOLT,Hvy Hex, M12 x 45mm, Cl 8.8

4шт.

4

86558130

BRACKET

Stabilizer, L.H.

1шт.

5

86558150

ROPS

Assy., Fixed

1шт.

6

86558905

BRACKET

Stabilizer, R.H.

1шт.

7

844-12030

BOLT,Hvy Hex, M12 x 30mm, Cl 8.8

4шт.

Выбрано товаров: 7