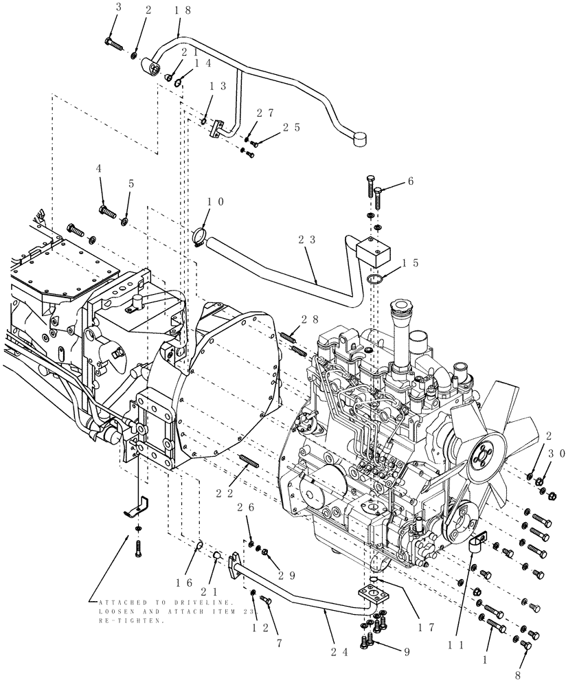
Запчасти Case IH DX45 (02.02) - ENGINE ATTACHING, HST & 12X12 (02) - ENGINE EQUIPMENT

Схема запчастей Case IH DX45 - (02.02) - ENGINE ATTACHING, HST & 12X12 (02) - ENGINE EQUIPMENT
21
loosen and attach item 23.
4
18
30
23
14
29
7
16
2
8
6
5
21
22
1
11
12
9
13
25
15
26
3
17
27
28
2
24
attached to driveline.
10
re-tighten.
FIT
1:1
100%

Артикул

Название

Примечание

Количество

1

814-10050

BOLT,Hex, M10 x 1.5 x 50mm, Cl 8.8

5шт.

2

892-11010

LOCK WASHER,M10

w/HST

21шт.

2

892-11010

LOCK WASHER,M10

w/12 x 12

20шт.

3

325829

BOLT,Hex, M10 x 1.5 x 45mm, Cl 8.8

w/HST

1шт.

4

337563

BOLT,M12 x 1.75 x 47.68mm, Cl 10.9

2шт.

5

412123

LOCK WASHER,13.1mm ID x 21.1mm OD x 2.55mm Thk

2шт.

6

412151

BOLT,M10 x 1.5 x 61.58mm, Cl 8.8

2шт.

7

614-8025

BOLT,Hex, M8 x 1.25 x 25mm, Cl 8.8, Full Thd

1шт.

8

614-10020

BOLT,Hex, M10 x 1.5 x 20mm, Cl 8.8, Full Thd

6шт.

9

43139

BOLT,M10 x 1.5 x 25mm, Cl 8.8

4шт.

10

82012725

HOSE CLAMP,#44, M32-44

1шт.

11

86000810

CLAMP,27mm, Coat, 13.5mm Bolt Hole, P Type

1шт.

12

492-11031

LOCK WASHER,5/16"

2шт.

13

SBA052100120

O-RING

w/HST

1шт.

14

SBA052100200

O-RING,2.4mm Thk x 19.8mm ID, 70 Duro

w/HST

1шт.

15

86609301

O-RING,34.5mm ID x 3.7mm Width

1шт.

16

SBA052110200

O-RING,2.4mm Thk x 19.8mm ID, 90 Duro

1шт.

17

SBA052310250

O-RING

1шт.

18

SBA340708250

RIGID TUBE

w/HST

1шт.

21

SBA340520260

FILTER

w/HST

2шт.

21

SBA340520260

FILTER

w/12x12

1шт.

22

86400618

BOLT

Stud, D40, DX40

1шт.

22

SBA012111045

SCREW

Stud, D45, DX45

1шт.

23

SBA340708150

RIGID TUBE

1шт.

24

SBA340708171

HYD TUBE

The 4-bolt flange tube will work in place of the 2-bolt flange tube by using two diaganol holes in the 4-bolt flange

1шт.

25

614-6016

BOLT,Hex, M6 x 1 x 16mm, Cl 8.8, Full Thd

w/HST

2шт.

26

86511315

WASHER,8.4mm ID x 16mm OD x 1.8mm Thk

1шт.

27

86517328

LOCK WASHER,6.1mm ID x 11.8mm OD x 1.7mm Thk

w/HST

2шт.

28

86533693

STUD,M10 x 47, Cl 8.8

2шт.

29

825-1408

NUT,M8, Cl 8

1шт.

30

825-2410

FLANGE NUT,M10 x 1.5, Flg, Cl 8

3шт.

Выбрано товаров: 31