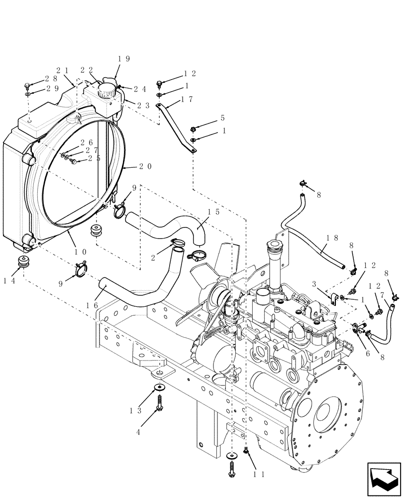
Запчасти Case IH DX45 (02.04) - COOLING SYSTEM (02) - ENGINE EQUIPMENT

Схема запчастей Case IH DX45 - (02.04) - COOLING SYSTEM (02) - ENGINE EQUIPMENT
21
25
12
28
13
8
18
19
8
2
29
3
23
27
12
4
1
16
14
17
11
1
8
12
1
7
9
26
22
10
9
15
20
24
8
5
6
FIT
1:1
100%

Артикул

Название

Примечание

Количество

1

322358

BELLEVILLE WASHER,M8 Bolt Size x 18mm OD x 1.4mm Thk

4шт.

2

214-1424

HOSE CLAMP,#24, 1.06" - 2", Type F Worm

1шт.

3

515-22159

CLAMP,5/8", Insul, 5/16" Bolt

1шт.

4

844-10050

BOLT,Hvy Hex, M10 x 50mm, Cl 8.8

2шт.

5

825-2408

FLANGE NUT,M8 x 1.25, Flg, Cl 8

1шт.

6

SBA310130190

DRAINCOCK/TAP SUPPLY

1шт.

7

86400316

HOSE

Engine Drain

1шт.

8

86400352

CLAMP

1шт.

9

86400355

CLAMP

3шт.

10

NLS

NO LONGER SERVICED

Radiator {86401465} D40, DX40 Replaced by 86402724 Radiator

1шт.

No longer serviced

1шт.

Used on and ASN HBA0005162

1шт.

10

86402724

RADIATOR

D40, DX40, Refer to Figure 02.04.01

1шт.

10

Radiator {86401463} D45, DX45 Replaced by 86402725 Radiator

1шт.

No longer serviced

1шт.

Used on and ASN HBA0005147

1шт.

10

86402725

RADIATOR

D45, DX45, Refer to Figure 02.04.01

1шт.

11

811-8020

CARRIAGE BOLT,Sht Sq Nk, M8 x 1.25 x 20mm, Cl 8.8

1шт.

12

86511841

BOLT,Flng, M8 x 1.25 x 16mm, Full Thd, Cl 8.8

1шт.

13

86524667

WASHER,M10.3 x 38.1 x .15 Thk

2шт.

14

86524811

INSULATOR

2шт.

15

86549669

RADIATOR HOSE,33.00 mm ID x 248,103,65 mm, SAE J20R4 CLASS D2

1шт.

16

86549670

RADIATOR HOSE,33.00 mm ID x 178,175,180 mm, SAE J20 R4 CLASS D2

1шт.

17

86558308

BRACKET

1шт.

18

86574273

TUBE

Radiator Drain

1шт.

19

86530802

RADIATOR CAP

1шт.

20

86400072

SHROUD

1шт.

21

86558482

BOTTLE

Recovery

1шт.

22

86507190

CAP

Recovery

1шт.

23

86400974

FUEL HOSE,7.94 mm ID x 1700.00 mm, SAE J30 R7

Cut to 200 mm or 7.874"

1шт.

86400974 measures 1700 mm or 66.929"

1шт.

24

86400352

CLAMP

1шт.

25

614-6016

BOLT,Hex, M6 x 1 x 16mm, Cl 8.8, Full Thd

4шт.

25

86401632

BOLT

M6 x 1.0

4шт.

26

9824259

WASHER,6.4mm ID x 12mm OD x 1.6mm Thk

4шт.

Used on and BSN HBA0005161 (D40/40X) and HBA0005146 (D45/45X)

1шт.

Used with 86400443 radiator, D40/DX40 and 86567846 radiator, D45/DX45

1шт.

27

86517328

LOCK WASHER,6.1mm ID x 11.8mm OD x 1.7mm Thk

4шт.

Used on and BSN HBA0005161 (D40/40X) and HBA0005146 (D45/45X)

1шт.

Used with 86400443 radiator, D40/DX40 and 86567846 radiator, D45/DX45

1шт.

28

811-6016

CARRIAGE BOLT,Sht Sq Nk, M6 x 1 x 16mm, Cl 8.8

2шт.

Used on and BSN HBA0005161 (D40/40X) and HBA0005146 (D45/45X)

1шт.

Used with 86400443 radiator, D40/DX40 and 86567846 radiator, D45/DX45

1шт.

28

120061

BOLT,Hex, M8 x 60mm L, Cl 8.8

2шт.

Used on and ASN HBA0005162 (D40/40X) and HBA0005147 (D45/45X)

1шт.

29

86511315

WASHER,8.4mm ID x 16mm OD x 1.8mm Thk

4шт.

Выбрано товаров: 46