Запчасти Case IH DX45 (06.03) - MAIN HARNESS (06) - ELECTRICAL SYSTEMS

Схема запчастей Case IH DX45 - (06.03) - MAIN HARNESS (06) - ELECTRICAL SYSTEMS
5
1
13
10
12
1
7
7
5
6
2
14
5
15
3
5
7
9
11
8
16
4
FIT
1:1
100%

Артикул

Название

Примечание

Количество

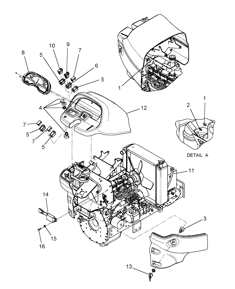
1

825-1404

NUT,M4, Cl 8

1шт.

2

892-11004

LOCK WASHER,M4

Ext T

1шт.

3

86400226

IGNITION SWITCH

1шт.

4

86400240

SWITCH

Turn Signal

1шт.

5

86400368

INSERT

Mount End

4шт.

6

86400369

INSERT

Mount End

1шт.

7

86539709

PLUG

3шт.

8

86540851

INSTRUMENT PANEL

Refer to Figure 06.04

1шт.

86540851R

REMAN-INSTR CLUSTER

DX35 (CLASS 3) - PIN # HBA0005004 & ABOVE (12/00-1/04), DX40 PIN # HBA0005006 & ABOVE (12/00-8/03), DX45 PIN # HBA0005007 & ABOVE(12/00-11/03)

1шт.

86540851C

CORE-CLUSTER, INSTR

Return Number

1шт.

9

86558430

FLASHER SWITCH

Rocker, Hazard Warning

1шт.

10

86558431

LIGHT SWITCH

Rocker, Main Light

1шт.

11

86572247

CABLE

Battery, Negative

1шт.

12

86401887

HOOD ASSY.

Rear, DX35, DX40, DX45

1шт.

13

86401271

IGNITION KEY

Contains (2) Keys, (2) Covers and (1) Key Ring

1шт.

14

86403092

FLASHER UNIT

1шт.

Used on and ASN HB0006021

1шт.

15

86509828

LOCK WASHER,M5

1шт.

16

86511827

SCREW,Phillips Drive, Pan HD, M5 x 20mm, Cl 4.8

M5 x 16

1шт.

Выбрано товаров: 19