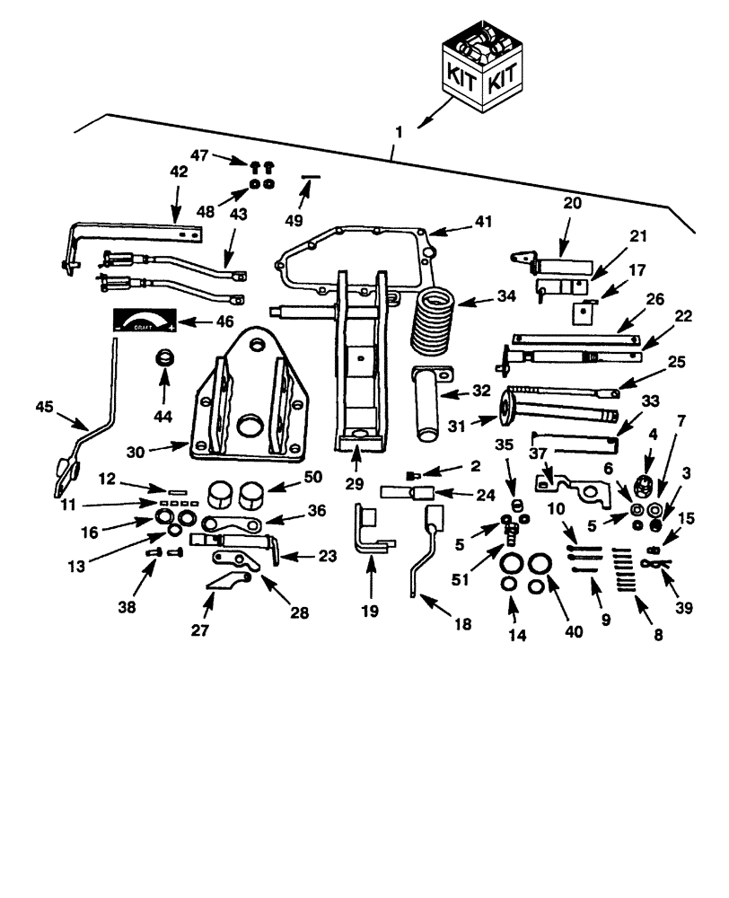
Запчасти Case IH DX45 (07.05) - HYDRAULIC DRAFT CONTROL KIT (07) - HYDRAULIC SYSTEM

Схема запчастей Case IH DX45 - (07.05) - HYDRAULIC DRAFT CONTROL KIT (07) - HYDRAULIC SYSTEM
4
9
50
3
49
47
42
16
2
17
10
23
27
43
15
5
39
12
36
21
31
46
26
11
18
25
28
48
37
20
41
1
5
24
35
22
8
34
45
19
30
13
7
44
51
32
33
40
29
38
6
14
FIT
1:1
100%

Артикул

Название

Примечание

Количество

1

718820016

FIELD ATTACHMENT

Kit, Deluxe Draft Control, Includes: Ref. 2 thru 51

1шт.

2

SBA011511020

BOLT,M10 x 20

1шт.

3

825-1410

NUT,M10, Cl 8

1шт.

4

SBA022200016

SLOTTED NUT

M16 x 15

1шт.

5

9824259

WASHER,6.4mm ID x 12mm OD x 1.6mm Thk

3шт.

6

86511315

WASHER,8.4mm ID x 16mm OD x 1.8mm Thk

1шт.

7

86511323

WASHER,10.5mm ID x 20mm OD x 2mm Thk

1шт.

8

PL

PROCURE LOCALLY

Pin Cotter

8шт.

9

SBA030103020

COTTER PIN

1шт.

10

PL

PROCURE LOCALLY

Pin Split

2шт.

11

412663

LOCK PIN,M5 x 10, Slotted

4шт.

12

838-5526

LOCK PIN,M5 x 26, Slotted

1шт.

13

300625

SNAP RING,M16, Ext

1шт.

14

SBA052100120

O-RING

2шт.

15

SBA060610000

LUBE NIPPLE,M6 x .075

1шт.

16

SBA199280160

SHIM

2шт.

17

SBA340101560

LEVER

Position Cam Link

1шт.

18

SBA340105170

LEVER

Position Arm

1шт.

19

SBA340105160

LEVER

Draft Arm

1шт.

20

SBA340200860

CONTROL SHAFT

Position

1шт.

21

SBA340200390

SHAFT

Position Arm Link

1шт.

22

SBA340200400

SHAFT

Draft Control

1шт.

23

SBA340200410

SHAFT

Draft Arm Link

1шт.

24

SBA344210600

LIFT LINK END ASSY

Draft Arm Rod

1шт.

25

SBA344210630

ROD

Draft Arm

1шт.

26

SBA344220420

PLATE

Control

1шт.

27

SBA344660020

CAM

Top Inner, A

1шт.

28

SBA344660040

CAM

Bottom, B

1шт.

29

SBA370030330

BRACKET

Rocker Arm

1шт.

30

SBA370301190

BRACKET

Top Link

1шт.

31

SBA370900460

PIN

Draft Sensing

1шт.

32

SBA370901050

PIN

Rocker Arm

1шт.

33

SBA370910870

PIN

Rocker Arm Lock

1шт.

34

SBA398215590

SPRING

Draft Sensing

1шт.

35

SBA399232790

COLLAR

1шт.

36

SBA399562260

PLATE

Cam Support

1шт.

37

SBA399568701

PLATE

Retainer

1шт.

38

SBA399611110

PIN

2шт.

39

SBA399730010

PIN

Snap

1шт.

40

SBA052100210

O-RING

2шт.

41

SBA344990260

GASKET

HPL Valve

1шт.

42

86558403

ARM

Crank, HPL

1шт.

43

86558397

LIFT LINK

Draft

2шт.

44

86558960

BUSHING,Hat, 15.8mm ID x 19.05mm OD x 25.4mm OD x 12.7mm W

1шт.

45

86558443

LEVER

Draft

1шт.

46

86401309

DECAL

Draft

1шт.

47

86050272

BOLT,M6 x 1 x 18.6mm OAL, Cl 8.8, Full Thd

2шт.

48

322357

BELLEVILLE WASHER,M6 Bolt Size x 14mm OD x 1.3mm Thk

2шт.

49

280250

COTTER PIN,3/32" OD x 3/4" L

1шт.

50

SBA398510080

DRIVE BUSHING

2шт.

51

SBA011140612

BOLT

M6 x 12

1шт.

Выбрано товаров: 51