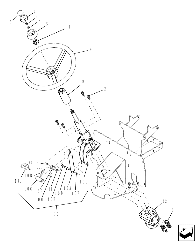
Запчасти Case IH DX45 (10.09) - STEERING COLUMN, TILT (10) - OPERATORS PLATFORM/CAB

Схема запчастей Case IH DX45 - (10.09) - STEERING COLUMN, TILT (10) - OPERATORS PLATFORM/CAB
10j
10i
2
10c
10a
10e
10b
10h
9
10f
4
8
11
10g
3
1
5
7
10e
10
12
10i
6
10d
FIT
1:1
100%

Артикул

Название

Примечание

Количество

1

832-46408

NUT,M8 x 1.25, Cl 8

1шт.

2

120052

HEX SOC SCREW,M10 x 25mm, Cl 8.8

4шт.

3

76350

HYD CONNECTOR,9/16" - 18 ORB x 9/16" - 18 JIC

4шт.

4

9821708

STEERING WHEEL

1шт.

5

9821709

KNOB

Adjuster

1шт.

5

87302160

KNOB

1шт.

Used With Steering Column, 87329101

1шт.

6

86401696

EMBLEM CASE/IH

CIH Logo

1шт.

6

86401707

EMBLEM

Case/IH Emblem

1шт.

Used With Steering Column, 87329101

1шт.

6a

87308002

DISC

Used to Improve Retention of CIH Logo in Steering Wheel

1шт.

Not Illustrated

1шт.

7

86504533

COVER

Steering Wheel Cap

1шт.

7

87302798

CAP,54mm OD, Black

Cap, Steering Wheel

1шт.

Used With Steering Column, 87329101

1шт.

8

86511315

WASHER,8.4mm ID x 16mm OD x 1.8mm Thk

1шт.

9

86522881

COVER

Telescope

1шт.

10

86403100

STEERING COLUMN

Includes Ref. 10A - 10I

1шт.

Components Still Available. When Stock is Exhausted Order: (1) 87329101 Column, (1) 87302160 Knob, (1) 87302798 Hub Cap (1) 86401707 Emblem

1шт.

10

87329101

STEERING COLUMN

Includes Ref. 10A-10I

1шт.

USED ON & ABOVE PIN # HBA018195

1шт.

10a

86522914

SHOCK ABSORBER

Gas

1шт.

10b

87333647

HANDLE

Handle, Tilt Lever

1шт.

10c

87333649

HANDLE

1шт.

10d

87333650

PIN,M10 x 45 L

1шт.

10e

87333651

SPACER

2шт.

10f

87335459

BLOCK

1шт.

10g

800-4310

CIRCLIP,M10

1шт.

10h

NS

NOT SERVICED

3 x24mm Coiled Spring Pin

1шт.

10i

84582797

HEX SOC SCREW

Hex Soc Hd, M8 x 12, 8.8

2шт.

10j

86401203

COVER

Gas Strut

1шт.

11

86530985

JAM NUT,13/16"-20

1шт.

12

86402720

HYDRAULIC STEERING

Power Motor

1шт.

Выбрано товаров: 33