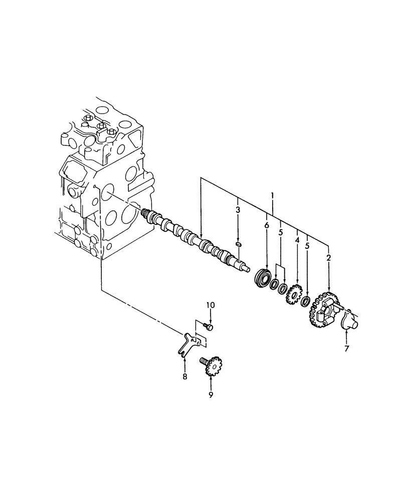
Запчасти Case IH DX48 (01.02) - CAMSHAFT (01) - ENGINE

Схема запчастей Case IH DX48 - (01.02) - CAMSHAFT (01) - ENGINE
5
1
3
9
10
6
4
5
2
7
8
FIT
1:1
100%

Артикул

Название

Примечание

Количество

1

SBA120026320

CAMSHAFT

1шт.

SBA120026320R

REMAN-CAMSHAFT

DX48 SN CV10001-CV10033, HDG500034-Z6NFA1001 & ABOVE, DX55 SN CX10004-CX10083, HDG600084-Z6NFB1001 & ABOVE (11/03-)

1шт.

SBA120026320C

CORE-CAMSHAFT

Return Number

1шт.

2

SBA120016050

GEAR

1шт.

3

SBA034100508

KEY

1шт.

4

SBA120736081

GEAR

1шт.

5

SBA199216230

SPACER

3шт.

6

SBA040109057

BEARING

1шт.

7

SBA125256120

SLIDE GUIDE

1шт.

8

SBA199566750

BRACKET

1шт.

9

SBA120076070

GEAR

Tachometer

1шт.

10

SBA011310612

CAPTIVE WASHER SCREW,Hex, M6 x 12, Cl 8.8

2шт.

Выбрано товаров: 12