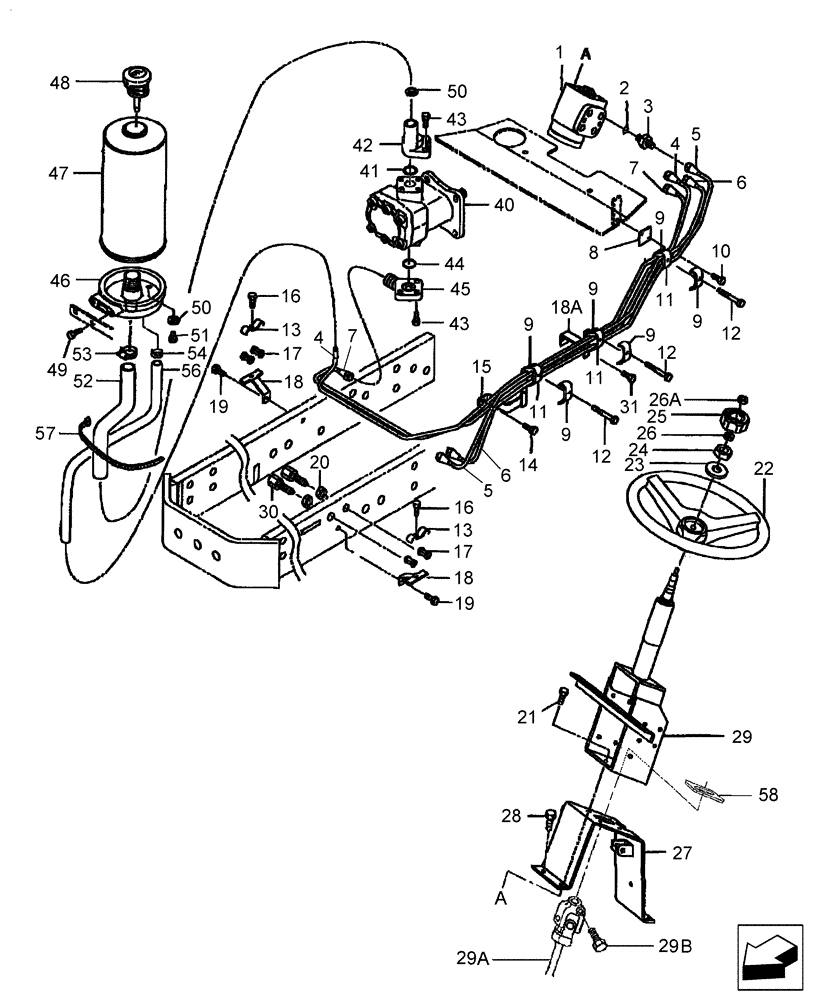
Запчасти Case IH DX48 (04.03) - STEERING COLUMN, GEARBOX & PIPING (04) - FRONT AXLE & STEERING

Схема запчастей Case IH DX48 - (04.03) - STEERING COLUMN, GEARBOX & PIPING (04) - FRONT AXLE & STEERING
43
7
29a
50
5
46
30
29
9
41
45
26a
12
16
15
56
26
18
2
12
8
29b
9
22
53
12
47
28
13
23
21
49
25
52
19
58
13
4
9
54
10
5
11
18a
50
27
1
4
17
16
7
14
9
11
3
44
42
40
43
18
17
11
19
57
9
6
31
24
6
48
50
9
51
FIT
1:1
100%

Артикул

Название

Примечание

Количество

1

SBA334011240

STEERING ASSY

1шт.

2

SBA052100140

O-RING

3шт.

3

SBA340671220

ADAPTER

3шт.

4

SBA340709660

PIPE

Oil, Return, Serial Range: Line-Tank

1шт.

5

SBA340709630

PIPE

Oil, Left Turn Line

1шт.

6

SBA340709640

PIPE

Oil, Right Turn Line

1шт.

7

SBA340709650

PIPE

Oil, Pressure Line

1шт.

8

SBA399113490

CLAMP

1шт.

USED BEFORE PIN # HDG500142 DX48 & HDG600353 DX55

1шт.

9

SBA399112130

CLAMP

6шт.

10

SBA011500612

BOLT

M6 x 12

1шт.

USED BEFORE PIN #HDG500142 DX48 & HDG600353 DX55

1шт.

11

SBA398115630

CLAMP

3шт.

12

SBA011310650

BOLT

M6 x 50

3шт.

13

SBA399112750

CLAMP

2шт.

14

SBA011510820

CAPTIVE WASHER SCREW,Hex, M8 x 20, G5

1шт.

15

SBA399102200

CLAMP

1шт.

15

SBA399113540

CLAMP

1шт.

USED ON & ABOVE PIN # HDG500142 DX48 & HDG600402 DX55

1шт.

16

SBA011310612

CAPTIVE WASHER SCREW,Hex, M6 x 12, Cl 8.8

2шт.

17

SBA198516390

RUBBER BUSHING

4шт.

18

SBA399113470

CLAMP

2шт.

18a

SBA399102120

CLAMP

1шт.

18a

SBA399102210

CLAMP

1шт.

USED ON & ABOVE PIN # HDG500053 DX48 & HDG600106 DX55

1шт.

19

SBA011510816

BOLT

M8 x 16

2шт.

20

86508817

NUT,M14, Cl 8

M14

2шт.

21

SBA011611025

BOLT

M10 x 25

4шт.

22

SBA334310210

STEERING WHEEL

1шт.

23

140030

LOCK WASHER,M14

1шт.

24

SBA020800014

NUT,M14 x 1.5

1шт.

25

SBA334320171

CAP

1шт.

26

SBA020109125

NUT,M8, LH Thd

1шт.

26a

SBA022409009

NUT

M8 U-Nut

1шт.

27

SBA334451090

PLATE

Set

1шт.

28

SBA011810816

BOLT

M8 x 16

4шт.

29

SBA334040410

STEERING COLUMN

Includes: Ref. 29A & 29B

1шт.

29a

SBA398381020

STEERING SHAFT

U-Joint

1шт.

29b

SBA010109424

BOLT

1шт.

30

SBA340671381

ADAPTER

2шт.

40

SBA340450490

PUMP

8.8CC Power Steering (KP0588ARS)

1шт.

41

SBA052100200

O-RING,2.4mm Thk x 19.8mm ID, 70 Duro

1шт.

42

SBA340621610

FLANGE

1шт.

43

SBA011310625

CAPTIVE WASHER SCREW,Hex, M6 x 25, Cl 8.8

5шт.

44

SBA052110200

O-RING,2.4mm Thk x 19.8mm ID, 90 Duro

1шт.

45

SBA340620850

FLANGE

1шт.

46

SBA340621060

PLATE

1шт.

47

SBA360101470

FILTER ASSY

Power Steering

1шт.

48

SBA398430520

DIPSTICK

1шт.

49

SBA011510820

CAPTIVE WASHER SCREW,Hex, M8 x 20, G5

2шт.

50

SBA025100008

SEALING WASHER,7.3mm ID x 14mm OD x 1.8mm Thk

M8

1шт.

51

SBA010800812

BOLT

M8 x 12

1шт.

52

SBA340693000

HOSE

Oil

1шт.

53

SBA398750420

HOSE CLAMP

2шт.

54

SBA398750430

BAND

2шт.

55

SBA360770300

RIGID TUBE

1шт.

55

SBA340693190

RIGID TUBE

1шт.

USED ON & ABOVE PIN # HDG500053 DX48 & HDG600106 DX55

1шт.

56

SBA360771290

TUBE

1шт.

57

PL

PROCURE LOCALLY

Band

1шт.

58

SBA398136140

OIL SEAL

Sponge

1шт.

USED ON & ABOVE PIN # HDG500122-500138 DX48 & HDG600236-600306 DX55

1шт.

Выбрано товаров: 62