Запчасти Case IH DX55 (03.01.03) - CLUTCH PEDAL - EHSS (03) - TRANSMISSION

Схема запчастей Case IH DX55 - (03.01.03) - CLUTCH PEDAL - EHSS (03) - TRANSMISSION
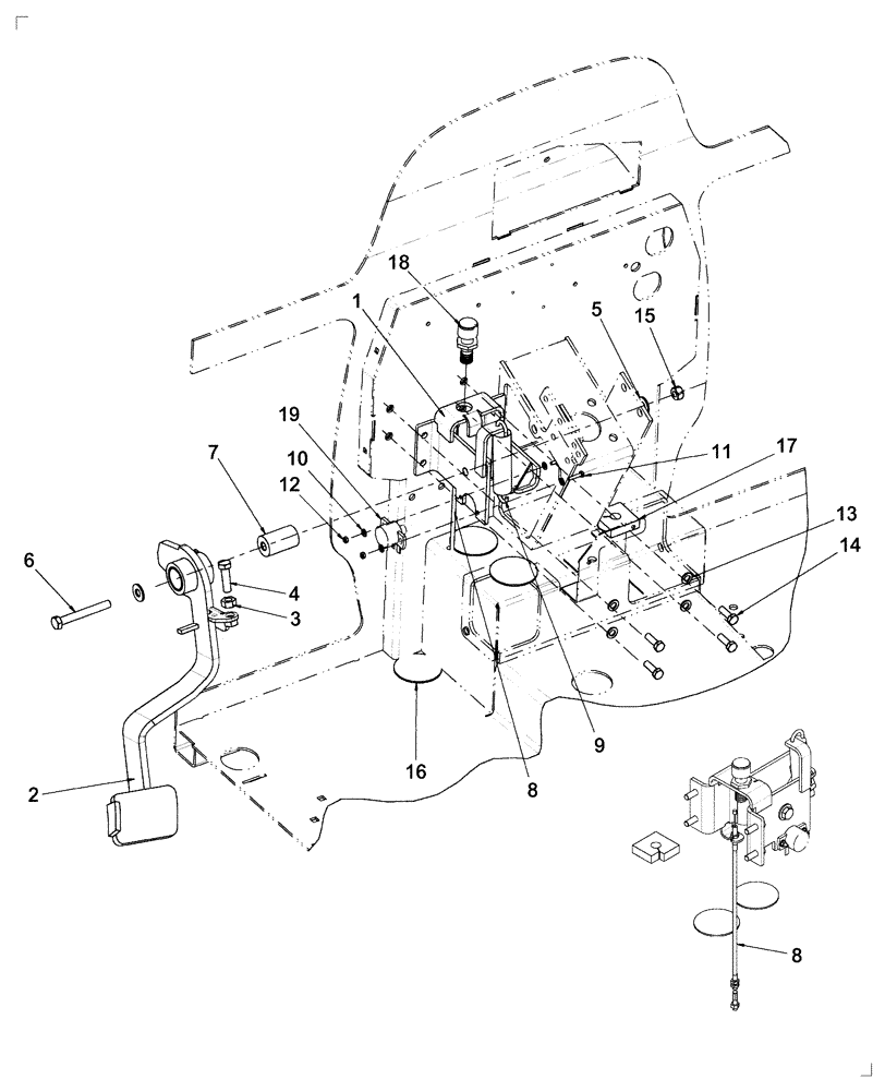
19
1
16
7
8
11
5
4
14
17
12
3
13
10
18
8
2
15
9
6
FIT
1:1
100%

Артикул

Название

Примечание

Количество

1

87651964

BRACKET, SUPPORTING

Clutch

1шт.

2

87660857

PEDAL

EHSS

1шт.

3

100016

NUT,M10 x 1.5, Cl 8

1шт.

4

9706704

BOLT,Hex, M10 x 1.5 x 41.58mm, Cl 8.8

1шт.

5

895-15010

WASHER,11mm ID x 24mm OD x 2mm Thk

2шт.

6

120116

SCREW,Hex, M10 x 1.5 x 80mm, Cl 8.8, Full Thd

1шт.

7

87653718

HUB

Shaft, Clutch Pedal

1шт.

8

87634709

CABLE

1шт.

9

87547281

SPRING

Clutch

1шт.

10

9824326

WASHER,5.3mm ID x 10mm OD x 1mm Thk

4шт.

11

412255

BOLT,Hex, M4 x 20mm, Cl 8.8

2шт.

12

100012

NUT,M4 x 0.7, Cl 8

2шт.

13

86624184

WASHER,9mm ID x 16mm OD x 1.6mm Thk

4шт.

14

43127

BOLT,Hex, M8 x 1.25 x 25mm, Cl 8.8

4шт.

15

100037

LOCK NUT,M10 x 1.5, Cl 8

NUT, M10

1шт.

16

87448669

SEAL

3шт.

17

87656851

FOAM

1шт.

18

SBA385200891

SWITCH

Clutch Pedal

1шт.

19

SBA385880300

POTENTIOMETER

1шт.

Выбрано товаров: 19