Запчасти Case IH DX55 (06.08) - FRONT & REAR LAMPS (06) - ELECTRICAL SYSTEMS

Схема запчастей Case IH DX55 - (06.08) - FRONT & REAR LAMPS (06) - ELECTRICAL SYSTEMS
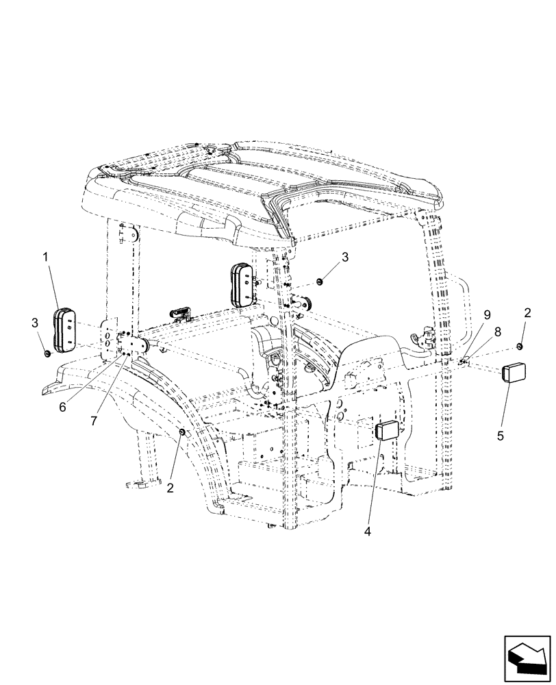
2
9
3
3
8
6
2
1
7
4
5
FIT
1:1
100%

Артикул

Название

Примечание

Количество

1

86405246

LIGHT

Rear

2шт.

1a

87734782

BULB

Bulb, Direction Indicator

1шт.

Not Illustrated

1шт.

1b

87734781

BULB

Bulb, Stop/Tail

1шт.

Not Illustrated

1шт.

1c

87734775

LENS

Lens, Yellow

1шт.

Not Illustrated

1шт.

1d

87734773

LENS

Lens, Red

1шт.

Not Illustrated

1шт.

2

87530614

GROMMET

Grommet Rubber, .250IN ID Diag Split

2шт.

3

248-1370

GROMMET

Grommet Rubber, .375IN ID Str Split

2шт.

4

47133203

FRONT LAMP,Halogen, 12V, 21W, Amber Lens

RH

1шт.

5

47133204

FRONT LAMP,12V, 21W, Amber

LH

1шт.

6

86517328

LOCK WASHER,6.1mm ID x 11.8mm OD x 1.7mm Thk

4шт.

7

9804276

FLANGE NUT,Hex, M6 x 1, Cl 8

4шт.

8

86509828

LOCK WASHER,M5

4шт.

9

86508813

NUT,M5, Cl 8

4шт.

10

87593687

CAP

Cap, Black Bolt

4шт.

Not Illustrated

1шт.

11

221729A1

TERMINAL CONNECTOR,Female, 2 Pin

2 Pin

2шт.

Not Illustrated

1шт.

Выбрано товаров: 21