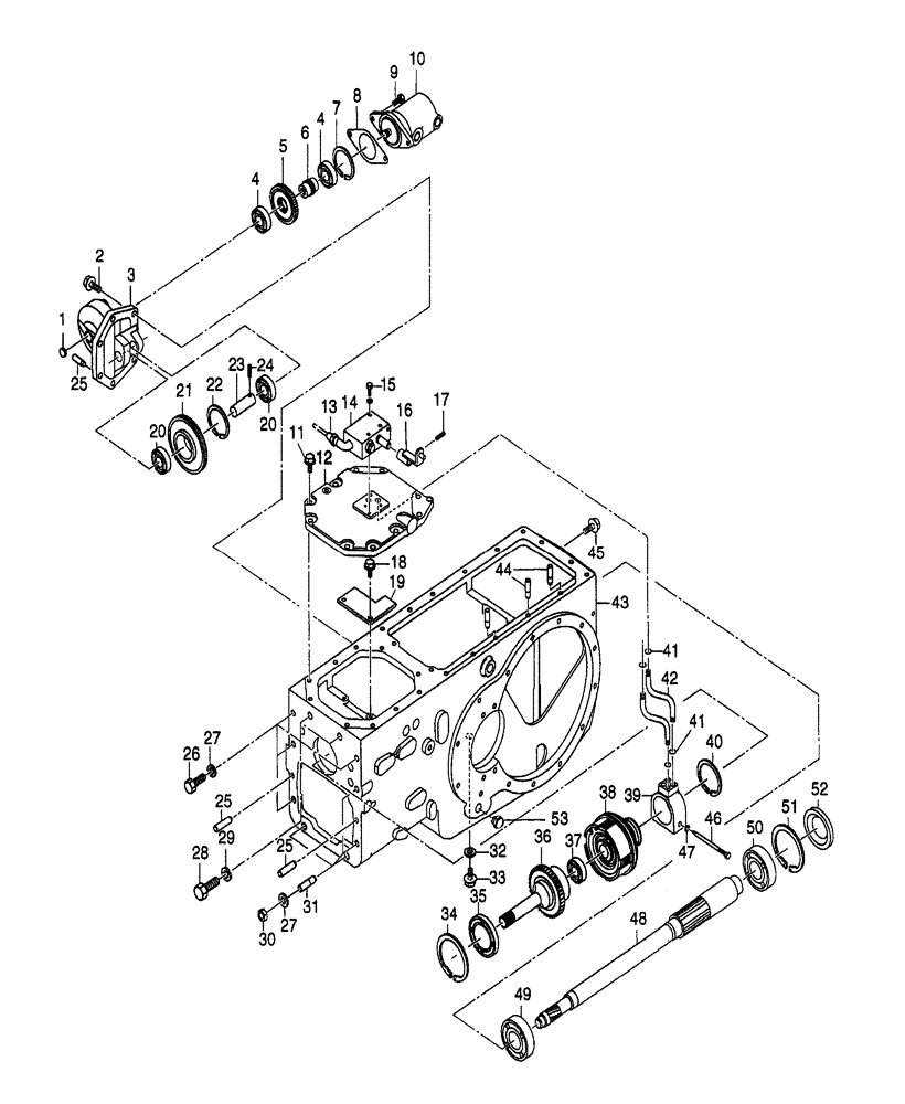
Запчасти Case IH DX55 (03.08) - REAR TRANSMISSION PTO, UPPER SHAFT (03) - TRANSMISSION

Схема запчастей Case IH DX55 - (03.08) - REAR TRANSMISSION PTO, UPPER SHAFT (03) - TRANSMISSION
51
25
33
15
20
45
44
32
6
49
14
9
34
46
5
10
23
2
39
37
27
24
25
36
17
47
4
48
27
29
19
21
40
8
13
16
11
4
50
12
31
3
7
52
41
43
1
26
20
41
25
28
35
42
30
18
38
22
53
FIT
1:1
100%

Артикул

Название

Примечание

Количество

1

SBA322140960

PLUG,M16

Seal

1шт.

2

SBA011511030

CAPTIVE WASHER SCREW,Hex, M10 x 30, G5

6шт.

3

SBA322118360

CASE

1шт.

4

279593

BALL BEARING,25mm ID x 47mm OD x 12mm W

2шт.

5

SBA322327030

GEAR

Fixing, A

1шт.

6

SBA322531860

COUNTERSHAFT

1шт.

7

300647

SNAP RING,M47, Int

1шт.

8

SBA344990410

GASKET

1шт.

9

SBA011510820

CAPTIVE WASHER SCREW,Hex, M8 x 20, G5

2шт.

10

SBA340451161

PUMP

Oil, Tandem: 3.5cc/1.66cc

1шт.

SBA340451161R

REMAN-HYD PUMP

DX55 PIN # Z7NFS1037 & ABOVE, DX60 PIN # Z6NFF1001 BOTH W/ROPS, (2/07-)

1шт.

SBA340451161C

CORE-HYDRAULIC PUMP

Return Number

1шт.

11

SBA011511030

CAPTIVE WASHER SCREW,Hex, M10 x 30, G5

10шт.

12

SBA322213730

COVER

1шт.

13

SBA340671580

ADAPTER

1шт.

14

SBA340016451

HYDRAULIC VALVE

PTO Control Refer to Fig. 07.01.01 For Components

1шт.

15

SBA011310645

CAPTIVE WASHER SCREW,Hex, M6 x 45, Cl 8.8

3шт.

16

SBA324107610

LEVER

Change

1шт.

17

SBA030300625

PIN

Spring

1шт.

18

SBA011510820

CAPTIVE WASHER SCREW,Hex, M8 x 20, G5

2шт.

19

SBA399569121

PLATE

L Shaped Flat Profile

1шт.

20

279592

BALL BEARING,20mm ID x 47mm OD x 14mm W

2шт.

21

SBA322372180

GEAR

Counter, A

1шт.

22

300647

SNAP RING,M47, Int

1шт.

23

SBA322560260

SHAFT

Back Gear

1шт.

24

300869

LOCK PIN,6mm OD x 40mm L, Slotted

1шт.

25

SBA030501025

BALL STUD,M10 x 25 L

BALL PIN

2шт.

26

SBA010331240

BOLT

M12 x 40

4шт.

27

412123

LOCK WASHER,13.1mm ID x 21.1mm OD x 2.55mm Thk

8шт.

28

SBA010231450

BOLT

2шт.

29

280248

LOCK WASHER,9/16"

2шт.

30

SBA021010012

NUT

M12

4шт.

31

SBA012111240

BOLT

Stud

4шт.

32

SBA025100016

WASHER,16.4mm ID x 27mm OD x 2mm Thk

Seal

1шт.

33

SBA064600016

PLUG

M16

1шт.

34

300633

SNAP RING,M80, Internal

1шт.

35

SBA040106010

BEARING ASSY

1шт.

36

SBA322590940

PTO SHAFT

Counter

1шт.

37

SBA040106004

BALL BEARING

1шт.

38

SBA320041023

CLUTCH

PTO

1шт.

39

SBA340330132

COVER

Swivel Joint

1шт.

40

SBA036100055

SNAP RING

1шт.

41

SBA052400080

O-RING

4шт.

42

SBA340615912

PIPE

Hose

2шт.

43

SBA322018141

CASE

1шт.

44

SBA012111030

STUD,M10 x 30

3шт.

45

SBA398460010

PLUG,M19

Blank

4шт.

46

SBA399430630

BOLT

M6 x 30

2шт.

47

SBA025100010

SEALING WASHER,9.2mm ID x 17mm OD x 1.8mm Thk

M10

2шт.

48

SBA322571670

COUNTERSHAFT

1шт.

49

SBA040159008

BALL BEARING

1шт.

50

210048

BALL BEARING,35mm ID x 80mm OD x 21mm W

1шт.

51

300633

SNAP RING,M80, Internal

1шт.

52

SBA322200180

COVER

1шт.

53

SBA064409009

PLUG

NPT 1/2

1шт.

Выбрано товаров: 55