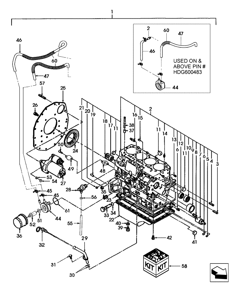
Запчасти Case IH DX55 (01.01) - CYLINDER BLOCK (01) - ENGINE

Схема запчастей Case IH DX55 - (01.01) - CYLINDER BLOCK (01) - ENGINE
19
31
46
14
7
17
51
15
45
28
11
34
47
41
6
9
45
57
44
12
46
18
22
1
5
60
16
24
6
13
30
37
39
32
8
3
21
10
25
58
49
2
44
48
38
11
42
47
61
55
53
52
20
11
50
40
60
2
33
27
29
23
54
36
4
35
26
56
FIT
1:1
100%

Артикул

Название

Примечание

Количество

1

SBA133669

LONG BLOCK,4 Cylinders

Long

1шт.

1

SBA133669R

REMAN-BASIC ENGINE

Long

1шт.

1

SBA133669C

CORE-BASIC ENGINE

Return Number

1шт.

1

SBA133669ER

REMAN-REPLACEMENT EN

Long

1шт.

1

SBA133669EPAC

CORE-EPA ENGINE

Return Number

1шт.

2

NSS

NOT SOLD SEPARAT

BLOCK Cylinder

1шт.

3

SBA012110660

STUD

1шт.

4

SBA012110635

STUD

1шт.

5

SBA198466010

PLUG

8.4mm

3шт.

6

SBA198466020

PLUG

10.4mm

2шт.

7

SBA165296132

SHAFT

Gear, Uses Pin SBA140196072

1шт.

8

SBA198517090

BUSHING

1шт.

9

SBA198517220

BUSHING

4шт.

10

SBA042309018

NEEDLE BEARING

1шт.

11

SBA064210040

CAP

5шт.

12

SBA042309017

NEEDLE BEARING

1шт.

13

SBA030500616

DOWEL,M6 x 16

2шт.

14

SBA030309005

PIN

2шт.

15

SBA030500612

DOWEL

2шт.

16

SBA012110820

STUD

3шт.

17

SBA040106203

BALL BEARING,17mm ID x 40mm OD x 12mm W

1шт.

18

SBA064100045

PLUG

1шт.

19

SBA030501025

BALL STUD,M10 x 25 L

BALL PIN

2шт.

20

SBA064210025

PLUG,25mm

2шт.

21

SBA198466030

PLUG

6.5 x 7mm

4шт.

22

SBA110708670

ENGINE OIL PAN

1шт.

23

SBA110996860

GASKET

1шт.

24

SBA050209083

SEAL

1шт.

25

SBA110367740

PLATE

1шт.

26

SBA011510816

BOLT

M8 x 16

10шт.

27

SBA185086530

STARTER MOTOR

1шт.

27

SBA185086530R

REMAN-STARTER

Remanufactured Starter -- 11 Tooth Drive

1шт.

27

SBA185086530C

CORE-STARTER

Return Number

1шт.

27

SBA185086530GV

STARTER MOTOR

Value

1шт.

28

SBA198736270

DRAINCOCK/TAP SUPPLY

1шт.

29

SBA110756070

TUBE

1шт.

30

SBA052109113

O-RING,2.4mm Thk x 9.8mm ID

2шт.

31

SBA010700610

BOLT

M6 x 10

1шт.

32

SBA198416320

GAUGE

1шт.

33

SBA140036220

VALVE PRESSURE RELIE

1шт.

34

SBA052109078

O-RING,2.4mm Thk x 9.8mm ID

1шт.

35

SBA140546020

ADAPTER

1шт.

36

86402050

FILTER, ENGINE OIL

FILTER, OIL

1шт.

37

SBA120116160

TAPPET

8шт.

38

SBA120456310

PUSH ROD,8.76"

8шт.

39

SBA010411212

DRAIN PLUG,M12 x 1.25

1шт.

40

SBA025100012

WASHER,12.4mm ID x 19mm OD x 2mm Thk

Seal

2шт.

41

SBA198466920

PLUG

2шт.

42

SBA010109235

BOLT

30шт.

44

SBA140656140

OIL COOLER

1шт.

44

SBA140656150

OIL COOLER

1шт.

USED ON & ABOVE PIN # HDG600483

1шт.

45

SBA198487900

NIPPLE

1шт.

45

SBA067100025

HOSE CLAMP

1шт.

USED ON & ABOVE PIN # HDG600483

1шт.

46

SBA068209237

HOSE

1шт.

46

SBA068209246

HOSE

1шт.

USED ON & ABOVE PIN # HDG600483

1шт.

47

SBA068209235

HOSE

1шт.

47

SBA068209247

HOSE

1шт.

USED ON & ABOVE PIN # HDG600483

1шт.

48

SBA130996130

GASKET

1шт.

49

SBA165206640

COVER

1шт.

50

SBA011310612

CAPTIVE WASHER SCREW,Hex, M6 x 12, Cl 8.8

2шт.

51

SBA026109162

WASHER

1шт.

USED BELOW PIN # HDG600483

1шт.

52

SBA140546130

ADAPTER

1шт.

USED BELOW PIN # HDG600483

1шт.

53

892-11010

LOCK WASHER,M10

2шт.

54

SBA021010010

NUT,M10 x 1.25

2шт.

55

SBA068118315

TUBE

Fuel

1шт.

56

SBA068109126

TUBE

Hose

1шт.

57

SBA012111030

STUD,M10 x 30

3шт.

58

86590117

KIT

Heater Engine Coolant, Includes: 5' Cord 86539137, Cable Tie 263117 & Ref. 59

1шт.

59

NSS

NOT SOLD SEPARAT

HEATER ASSY.

1шт.

60

SBA385891117

HOSE

Corrugated Tube

2шт.

60

SBA385891121

TUBE

Corrugated Tube

1шт.

USED ON & ABOVE PIN # HDG600483

1шт.

61

SBA140996390

SEAL

1шт.

Выбрано товаров: 79