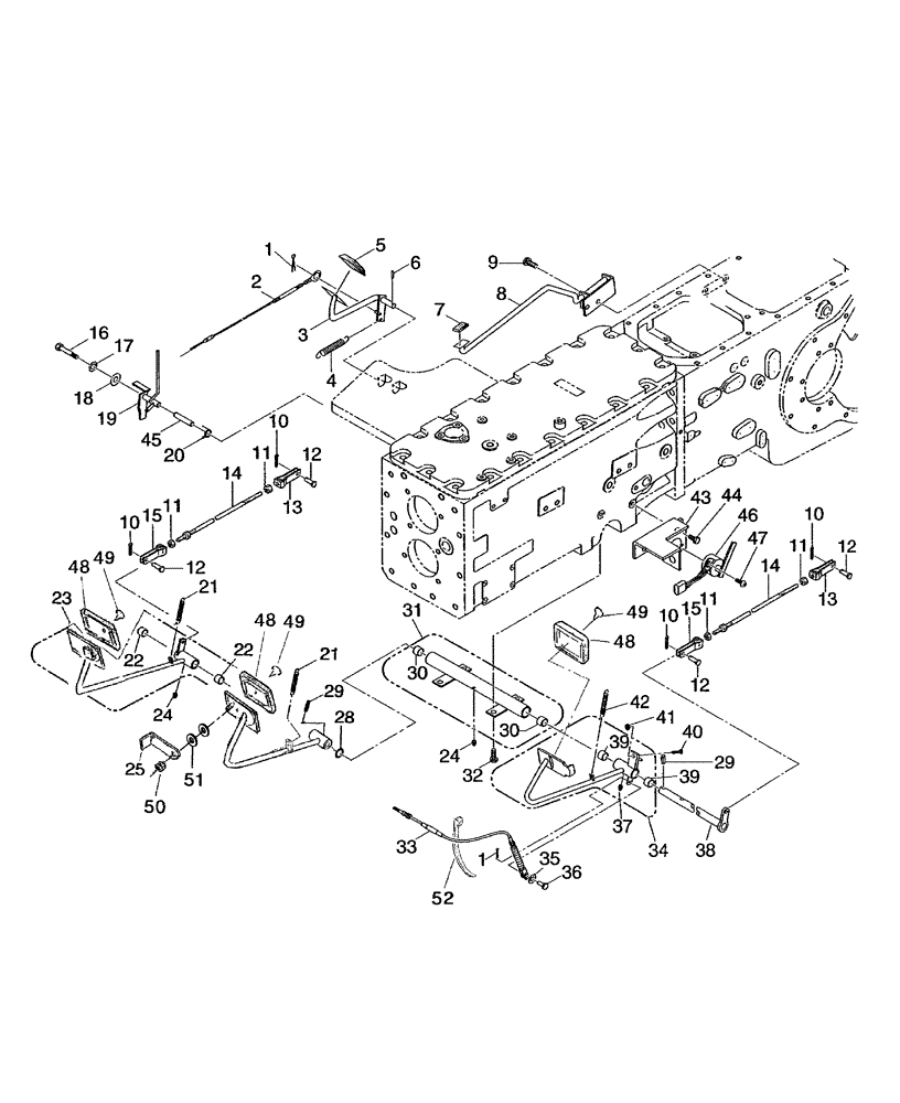
Запчасти Case IH DX55 (03.01) - PEDAL & BRAKE LOCK (03) - TRANSMISSION

Схема запчастей Case IH DX55 - (03.01) - PEDAL & BRAKE LOCK (03) - TRANSMISSION
39
42
3
32
25
16
46
10
5
22
11
31
13
12
9
17
6
12
29
11
21
1
49
50
39
34
15
8
24
15
10
10
48
19
24
14
22
7
4
35
10
18
12
45
38
41
47
1
29
37
20
43
13
48
49
14
33
23
51
49
11
48
28
36
30
2
40
11
21
44
52
12
FIT
1:1
100%

Артикул

Название

Примечание

Количество

1

SBA030102020

COTTER PIN

2шт.

2

SBA312070760

WIRE

Foot Throttle Cable

1шт.

3

SBA312600540

PEDAL

Accelerator

1шт.

4

SBA398211830

SPRING

1шт.

5

SBA398119901

RUBBER PEDAL PAD

Replaced by SBA398119902 Rubber Pedal & SBA398122990 Rubber

1шт.

5

SBA398119902

RUBBER PEDAL PAD

Rubber, Pedal

1шт.

5a

SBA398122990

RUBBER PAD

Rubber

1шт.

Not Illustrated

1шт.

Fits Between Ref. 3 & 5

1шт.

6

SBA030102520

COTTER PIN

1шт.

7

SBA398114050

COVER

1шт.

USED BELOW PIN # HDG600734

1шт.

8

SBA326501280

PEDAL

Difflock

1шт.

9

SBA011511020

BOLT,M10 x 20

2шт.

10

SBA030103025

COTTER PIN

4шт.

11

100016

NUT,M10 x 1.5, Cl 8

2шт.

12

SBA031311020

PIN

4шт.

13

SBA358550100

CLEVIS

Fork Joint

2шт.

14

SBA358510740

ROD

2шт.

15

SBA358550110

CLEVIS

Fork Joint

2шт.

16

120075

BOLT,M10 x 1.5 x 106.58mm, Cl 8.8

1шт.

17

892-11010

LOCK WASHER,M10

1шт.

18

SBA026109023

WASHER

1шт.

19

SBA358300730

BRAKE

Lock

1шт.

20

SBA398212640

SPRING

1шт.

21

SBA398210290

SPRING

2шт.

22

SBA398511460

DRIVE BUSHING

1шт.

23

SBA358012420

PEDAL ASSY.

1шт.

23

SBA358012421

PEDAL ASSY.

1шт.

USED ON & ABOVE PIN # HDG600084

1шт.

24

SBA060610000

LUBE NIPPLE,M6 x .075

2шт.

25

SBA399581450

LEVER

1шт.

26

SBA030300822

PIN

Spring

1шт.

27

SBA358105360

PEDAL ASSY.

1шт.

28

SBA199280490

SHIM,0.5mm Thk

(.020")

1шт.

29

SBA030300840

ROLL PIN

2шт.

30

SBA398511460

DRIVE BUSHING

2шт.

31

SBA358020740

SUPPORT ASSY.

1шт.

32

SBA011511025

CAPTIVE WASHER SCREW,Hex, M10 x 25, G5

4шт.

33

SBA312070750

WIRE

1шт.

33

SBA312070751

WIRE

Wire

1шт.

USED ON & ABOVE PIN # HDG600229

1шт.

34

SBA358012400

PEDAL ASSY.

1шт.

35

9824259

WASHER,6.4mm ID x 12mm OD x 1.6mm Thk

1шт.

36

SBA031310615

PIN

1шт.

37

SBA060610000

LUBE NIPPLE,M6 x .075

1шт.

38

SBA358200960

SHAFT

Pedal

1шт.

39

SBA398511460

DRIVE BUSHING

2шт.

40

43139

BOLT,M10 x 1.5 x 25mm, Cl 8.8

1шт.

41

100016

NUT,M10 x 1.5, Cl 8

1шт.

42

SBA398215911

SPRING

Clutch Pedal Return. New larger spring is the correct, due to a design change.

1шт.

43

SBA385953270

BRACKET

1шт.

44

SBA011510820

CAPTIVE WASHER SCREW,Hex, M8 x 20, G5

2шт.

45

SBA399233220

COLLAR

1шт.

46

SBA385880300

POTENTIOMETER

1шт.

47

SBA015150412

SCREW

2шт.

48

SBA398118880

RUBBER PAD

1шт.

49

SBA398340540

CLIP

3шт.

50

SBA022600008

NUT,U, M8

1шт.

51

SBA026200008

WASHER

M8

2шт.

52

SBA398750220

CABLE TIE

CABLE STRAP

1шт.

Выбрано товаров: 61