Запчасти Case IH DX60 (01.01) - CYLINDER BLOCK (01) - ENGINE

Схема запчастей Case IH DX60 - (01.01) - CYLINDER BLOCK (01) - ENGINE
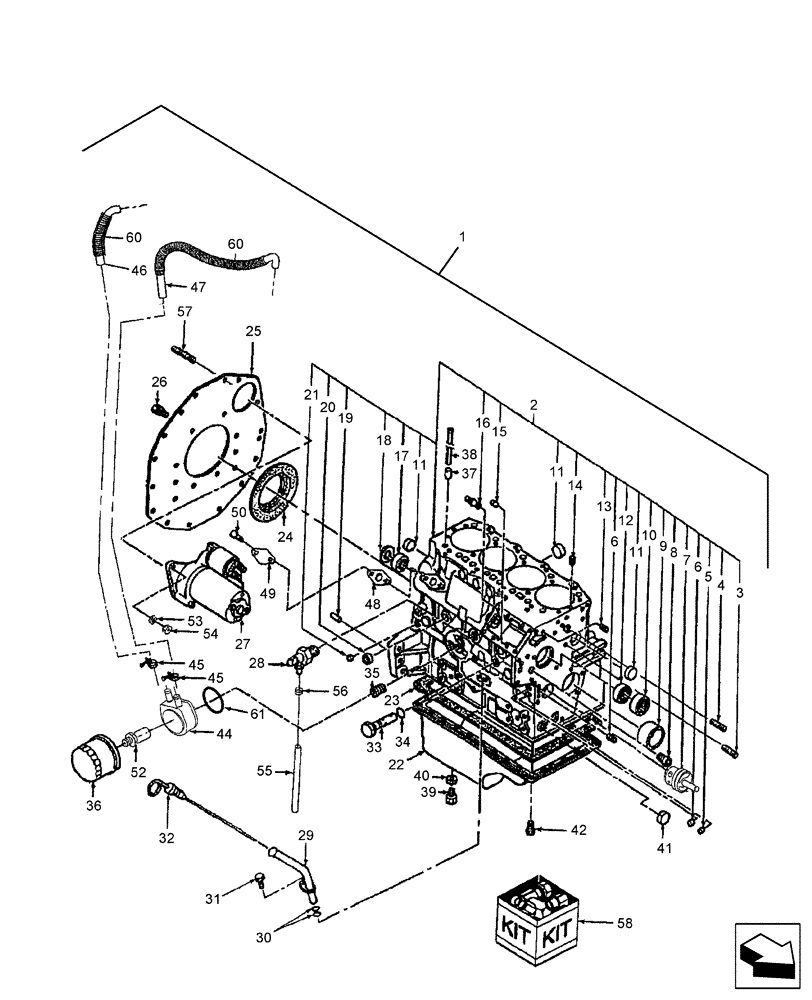
53
15
44
20
45
17
47
40
24
1
11
58
2
11
11
38
16
21
5
10
9
49
22
26
60
52
60
45
8
30
6
23
13
46
19
35
33
6
41
34
37
14
50
39
28
32
12
56
54
18
55
42
36
27
61
4
25
48
29
57
3
7
31
FIT
1:1
100%

Артикул

Название

Примечание

Количество

1

SBA133705

ENGINE

DX55

1шт.

1

SBA133706

ENGINE

DX60

1шт.

2

NSS

NOT SOLD SEPARAT

Block, Cylinder

1шт.

3

SBA012110660

STUD

1шт.

4

SBA012110635

STUD

1шт.

5

SBA198466010

PLUG

8.4mm

3шт.

6

SBA198466020

PLUG

10.4mm

2шт.

7

SBA165296260

SHAFT

Gear

1шт.

8

SBA198517090

BUSHING

1шт.

9

SBA198517220

BUSHING

4шт.

10

SBA042309018

NEEDLE BEARING

1шт.

11

SBA064210040

CAP

5шт.

12

SBA042309017

NEEDLE BEARING

1шт.

13

SBA030500616

DOWEL,M6 x 16

2шт.

14

SBA030309005

PIN

2шт.

15

SBA030500612

DOWEL

2шт.

16

SBA012110820

STUD

3шт.

17

SBA040106203

BALL BEARING,17mm ID x 40mm OD x 12mm W

1шт.

18

SBA064100045

PLUG

1шт.

19

SBA030501025

BALL STUD,M10 x 25 L

BALL PIN

2шт.

20

SBA064210025

PLUG,25mm

2шт.

21

SBA198466030

PLUG

6.5 x 7mm

4шт.

22

SBA110708670

ENGINE OIL PAN

1шт.

23

SBA110996860

GASKET

1шт.

24

SBA050209083

SEAL

1шт.

25

SBA110367740

PLATE

1шт.

26

SBA011510816

BOLT

M8 x 16

10шт.

27

SBA185086530

STARTER MOTOR

1шт.

27

SBA185086530R

REMAN-STARTER

Remanufactured Starter -- 11 Tooth Drive

1шт.

27

SBA185086530C

CORE-STARTER

Return Number

1шт.

27

SBA185086530GV

STARTER MOTOR

Value

1шт.

28

SBA198736270

DRAINCOCK/TAP SUPPLY

1шт.

29

SBA110756070

TUBE

1шт.

30

SBA052109113

O-RING,2.4mm Thk x 9.8mm ID

2шт.

31

SBA010700610

BOLT

M6 x 10

1шт.

32

SBA198416320

GAUGE

1шт.

33

SBA140036220

VALVE PRESSURE RELIE

1шт.

34

SBA052109078

O-RING,2.4mm Thk x 9.8mm ID

1шт.

35

SBA140546020

ADAPTER

1шт.

36

84475542

ENGINE OIL FILTER

FILTER, OIL

1шт.

37

SBA120116160

TAPPET

8шт.

38

SBA120456310

PUSH ROD,8.76"

8шт.

39

SBA010411212

DRAIN PLUG,M12 x 1.25

1шт.

40

SBA025100012

WASHER,12.4mm ID x 19mm OD x 2mm Thk

Seal

2шт.

41

SBA198466920

PLUG

2шт.

42

SBA010109235

BOLT

30шт.

44

SBA140656150

OIL COOLER

1шт.

45

SBA067100025

HOSE CLAMP

1шт.

46

SBA068209252

HOSE

1шт.

47

SBA068209253

HOSE

1шт.

48

SBA130996130

GASKET

1шт.

49

SBA165206640

COVER

1шт.

50

SBA011310612

CAPTIVE WASHER SCREW,Hex, M6 x 12, Cl 8.8

2шт.

52

SBA140546140

ADAPTER

1шт.

53

892-11010

LOCK WASHER,M10

2шт.

54

SBA021010010

NUT,M10 x 1.25

2шт.

55

SBA068118315

TUBE

Fuel

1шт.

56

SBA068109126

TUBE

Hose

1шт.

57

SBA012111030

STUD,M10 x 30

3шт.

58

86590117

KIT

Heater Engine Coolant, Includes: 5' Cord 86539137, Cable Tie 263117 & Ref. 59

1шт.

59

NSS

NOT SOLD SEPARAT

HEATER ASSY.

1шт.

60

SBA385891121

TUBE

1шт.

61

SBA140996390

SEAL

1шт.

Выбрано товаров: 63