Запчасти Case IH DX60 (03.09) - REAR TRANSMISSION PTO, LOWER SHAFT (03) - TRANSMISSION

Схема запчастей Case IH DX60 - (03.09) - REAR TRANSMISSION PTO, LOWER SHAFT (03) - TRANSMISSION
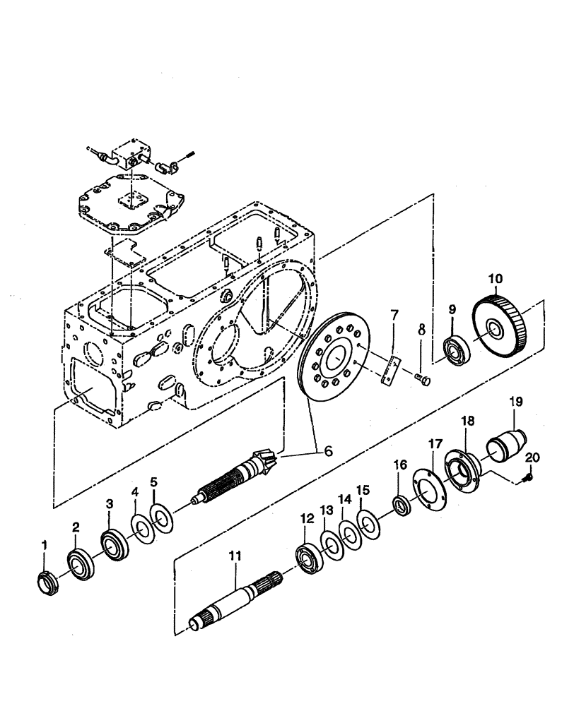
3
16
17
20
7
13
18
2
12
14
21
10
5
1
8
4
15
19
6
11
9
FIT
1:1
100%

Артикул

Название

Примечание

Количество

1

SBA399370780

NUT

1шт.

2

SBA042530209

BEARING ASSY

Taper

1шт.

3

SBA042532209

BEARING ASSY

Taper

1шт.

4

SBA199280790

SHIM,0.1mm Thk

1шт.

5

SBA199280780

SHIM,0.2mm Thk

1шт.

6

SBA322051310

DRIVE PINION

1шт.

7

SBA399310310

LOCKING PLATE

6шт.

8

412161

BOLT,M10 x 1.25 x 40mm, Cl 8.8

12шт.

9

210048

BALL BEARING,35mm ID x 80mm OD x 21mm W

1шт.

10

SBA322326510

GEAR

Fixing, A

1шт.

11

SBA322591030

PTO SHAFT

1шт.

12

SBA040306208

BEARING ASSY

1шт.

13

SBA199280750

SHIM,0.1mm Thk

1шт.

14

SBA199280760

SHIM

.2 or 0.008"

1шт.

15

SBA199280770

SHIM

.5 or 0.020"

1шт.

16

5116701

SEAL,35mm ID x 55mm OD x 11mm Thk

Oil

1шт.

17

SBA322990341

GASKET

1шт.

18

SBA322142220

COVER

Seal, PTO

1шт.

19

SBA378110021

GUARD

1шт.

20

SBA011510820

CAPTIVE WASHER SCREW,Hex, M8 x 20, G5

4шт.

21

SBA399236070

COLLAR

1шт.

Выбрано товаров: 21