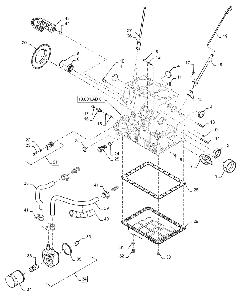
Запчасти Case IH FARMALL 30A (10.001.AB[01]) - CRANKCASE ASSY (10) - ENGINE

Схема запчастей Case IH FARMALL 30A - (10.001.AB[01]) - CRANKCASE ASSY (10) - ENGINE
10.001.ad 01
28
4
23
11
38
33
4
15
17
9
2
8
27
15
6
25
37
3
35
31
22
26
18
39
1
19
32
34
16
41
5
42
4
17
43
14
9
36
12
21
41
24
40
20
7
30
10
29
13
FIT
1:1
100%

Артикул

Название

Примечание

Количество

1

MT40283484

BUSHING

Standard

1шт.

2

MT40285036

NEEDLE BEARING

1шт.

3

MT40283250

EXPANSION PLUG

Sealing

1шт.

4

MT40283246

EXPANSION PLUG

Sealing

4шт.

5

MT40283245

EXPANSION PLUG

1шт.

6

MT40285035

BALL BEARING

Pilot

1шт.

7

MT40283423

SHAFT

Idle Gear

1шт.

8

MT40283218

PIN

Dowel

2шт.

9

MT40283219

PIN

Dowel

2шт.

10

MT40283220

PIN

Dowel

2шт.

11

MT40283217

COILED PIN

Spring

2шт.

12

MT40285024

STUD

2шт.

13

MT40282990

STUD

1шт.

14

MT40285426

STUD

1шт.

15

MT40283238

O-RING

4шт.

16

MT40283470

PLUG

1шт.

17

MT40282969

BOLT

2шт.

18

MT40285056

TUBE

Gauge Guide

1шт.

19

MT40285831

DIPSTICK

Lever Gauge

1шт.

20

MT40285833

OIL SEAL

1шт.

21

MT40283491

DRAINCOCK/TAP SUPPLY

Incl 22, 23

1шт.

22

MT40282997

NUT

1шт.

23

MT40282948

NEEDLE VALVE

1шт.

24

MT40283236

O-RING,2.4mm Thk x 14.8mm ID

1шт.

25

MT40283376

VALVE PRESSURE RELIE

1шт.

26

MT40283305

TAPPET

6шт.

27

MT40285072

PUSH ROD

6шт.

28

MT40285058

GASKET

1шт.

29

MT40285055

ENGINE OIL PAN

1шт.

30

MT40282952

BOLT

26шт.

31

MT40283208

SEALING WASHER

1шт.

32

MT40282961

BOLT

1шт.

33

MT40283381

JOINT

Filter

1шт.

34

MT40283388

OIL COOLER

Incl 35, 36

1шт.

35

MT40283393

GASKET

1шт.

36

MT40283382

JOINT

Filter

1шт.

37

MT40283380

ENGINE OIL FILTER

1шт.

38

MT40285040

HOSE

Oil Cooler Out

1шт.

39

MT40285047

HOSE

Oil Cooler In

1шт.

40

MT40285836

TUBE

Corrugated

1шт.

41

MT40283255

HOSE CLAMP

4шт.

42

MT40283209

SEALING WASHER

1шт.

43

MT40285557

SOLENOID

1шт.

Выбрано товаров: 43