Запчасти Case IH FARMALL 30A (10.001.AD[01]) - ENGINE (10) - ENGINE

Схема запчастей Case IH FARMALL 30A - (10.001.AD[01]) - ENGINE (10) - ENGINE
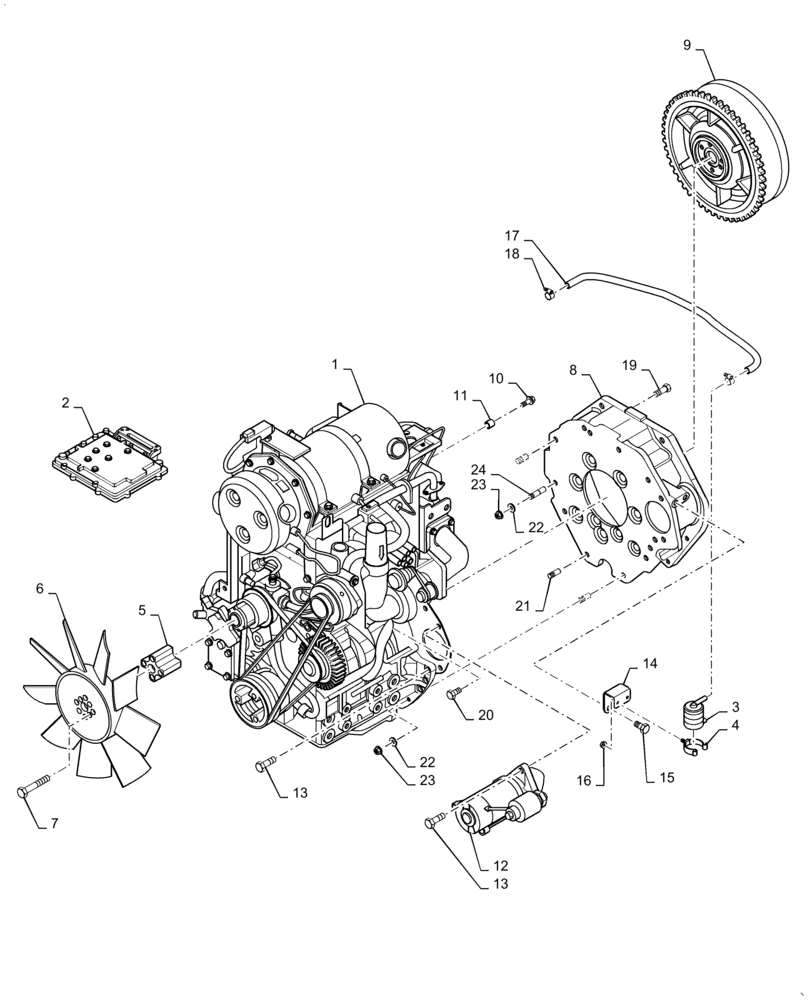
13
11
22
19
17
14
24
12
21
15
2
20
9
3
10
18
23
23
4
6
22
1
13
16
5
8
7
FIT
1:1
100%

Артикул

Название

Примечание

Количество

1

MT40263348

ENGINE

37hp

1шт.

1

MT40263349

ENGINE

33hp

1шт.

2

MT40278791

CONTROLLER

1шт.

3

MT40279917

FILTER ASSY

Pre - Fuel

1шт.

4

MT40279920

BRACKET

Filter

1шт.

5

MT40266416

SPACER

Cooling

1шт.

6

MT40316134

FAN

Cooling

1шт.

7

MT40028932

BOLT,Hex, M8 x 1.25 x 75mm

4шт.

8

MT40303342

HOUSING

Flywheel

1шт.

9

MT40281668

FLYWHEEL

Engine

1шт.

10

MT40028923

BOLT,Hex, M8 x 1.25 x 25mm

2шт.

11

MT40283962

PIPE

Fuel Filter

2шт.

12

MT40305984

STARTER MOTOR

1шт.

MT40334007R

Reman Starter

REMAN-STARTER,REMAN-STARTER

1шт.

MT40334007C

Return Number

CORE-STARTER,CORE-STARTER

1шт.

13

MT40094018

BOLT,M10 x 1.5 x 40mm

5шт.

14

MT40279078

BRACKET

Pre - Fuel Filter

1шт.

15

MT40028936

BOLT,M10 x 1.5 x 20mm

2шт.

16

MT40029067

NUT,M6 x 1

1шт.

17

MT40281298

HOSE

Fuel Suction

1шт.

18

MT40012020

HOSE CLAMP,8mm -16mm

2шт.

19

MT40094010

SCREW,Hex, M10 x 1.5 x 30mm

2шт.

20

MT40028937

BOLT,Hex, M10 x 1.5 x 25mm

1шт.

21

MT40267411

BOLT,M10 x 1.5 x 32mm

Stud

3шт.

22

MT40029549

WASHER,10.20mm ID x 18.40mm OD x 2.50mm Thk

4шт.

23

MT40096487

FLANGE NUT,M10 x 1.5

4шт.

24

MT40280873

BOLT,M10 x 1.5 x 30mm

Stud

1шт.

Выбрано товаров: 27