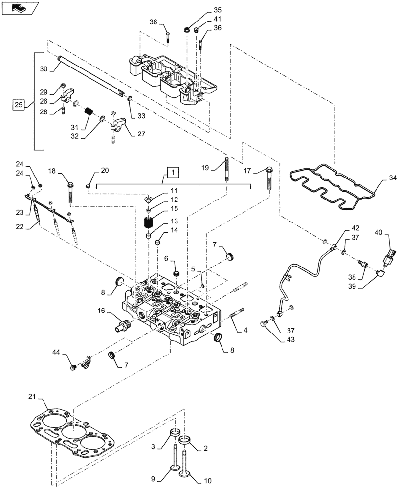
Запчасти Case IH FARMALL 30A (10.101.AA[01]) - CYLINDER HEAD (10) - ENGINE

Схема запчастей Case IH FARMALL 30A - (10.101.AA[01]) - CYLINDER HEAD (10) - ENGINE
39
27
40
41
37
14
1
12
20
17
36
6
25
7
4
32
30
7
29
42
23
31
3
34
28
19
38
9
15
22
11
2
16
8
18
26
35
13
21
36
33
10
24
37
8
43
44
5
24
FIT
1:1
100%

Артикул

Название

Примечание

Количество

1

MT40285060

CYLINDER HEAD

Assy, Incl 2 - 16

1шт.

2

MT40285461

VALVE SEAT

Intake

1шт.

3

MT40285462

VALVE SEAT

Exhaust Intake

1шт.

4

MT40282992

STUD

Bolt

2шт.

5

MT40283247

EXPANSION PLUG

Sealing Cap

2шт.

6

MT40283249

EXPANSION PLUG

Sealing Cap

5шт.

7

MT40283250

EXPANSION PLUG

Sealing Cap

3шт.

8

MT40283251

EXPANSION PLUG

Sealing Cap

2шт.

9

MT40285478

STD INLET VALVE

Intake

3шт.

10

MT40285479

STD EXHAUST VALVE

3шт.

11

MT40283308

RETAINER

6шт.

12

MT40283310

RETAINER

Cotter

12шт.

13

MT40283315

SEAL

Valve Guide, Exhaust

3шт.

14

MT40283316

SEAL

Valve Guide, Intake

3шт.

15

MT40283465

SPRING

6шт.

16

MT40283483

ADAPTER

Connector

1шт.

17

MT40283289

BOLT

Cylinder Head

11шт.

18

MT40283290

BOLT

Cylinder Head

3шт.

19

MT40282988

STUD

Bolt

3шт.

20

MT40283309

CAP

Valve

6шт.

21

MT40285062

CYLINDER HEAD GASKET,1.3mm Thk

1шт.

22

MT40285559

GLOW PLUG

3шт.

23

MT40285825

SUPPORT

Connector

3шт.

24

MT40283202

NUT

4шт.

25

MT40285070

ROCKER ARM

Assy, Incl 26 - 33

1шт.

26

MT40283313

ROCKER ARM

Complete Intake

3шт.

27

MT40283314

ROCKER ARM

Complete Exhaust

3шт.

28

MT40283503

SCREW

6шт.

29

MT40282995

NUT

6шт.

30

MT40285071

SHAFT

Rocker Arm

1шт.

31

MT40283467

SPRING

2шт.

32

MT40283499

SHIM

4шт.

33

MT40283235

O-RING,2.4mm Thk x 10.8mm ID

1шт.

34

MT40285073

GASKET

Rocker Bracket

1шт.

35

MT40283205

NUT

3шт.

36

MT40285422

BOLT

2шт.

37

MT40283390

GASKET

4шт.

38

MT40285581

EYEBOLT

1шт.

39

MT40285589

ADAPTER

1шт.

40

MT40285558

SENDER UNIT

Oil Pressure

1шт.

41

MT40285449

PLATE

1шт.

42

MT40285818

PIPE

Oil Complete

1шт.

43

MT40283480

BANJO BOLT

1шт.

44

MT40282977

BOLT

1шт.

Выбрано товаров: 44