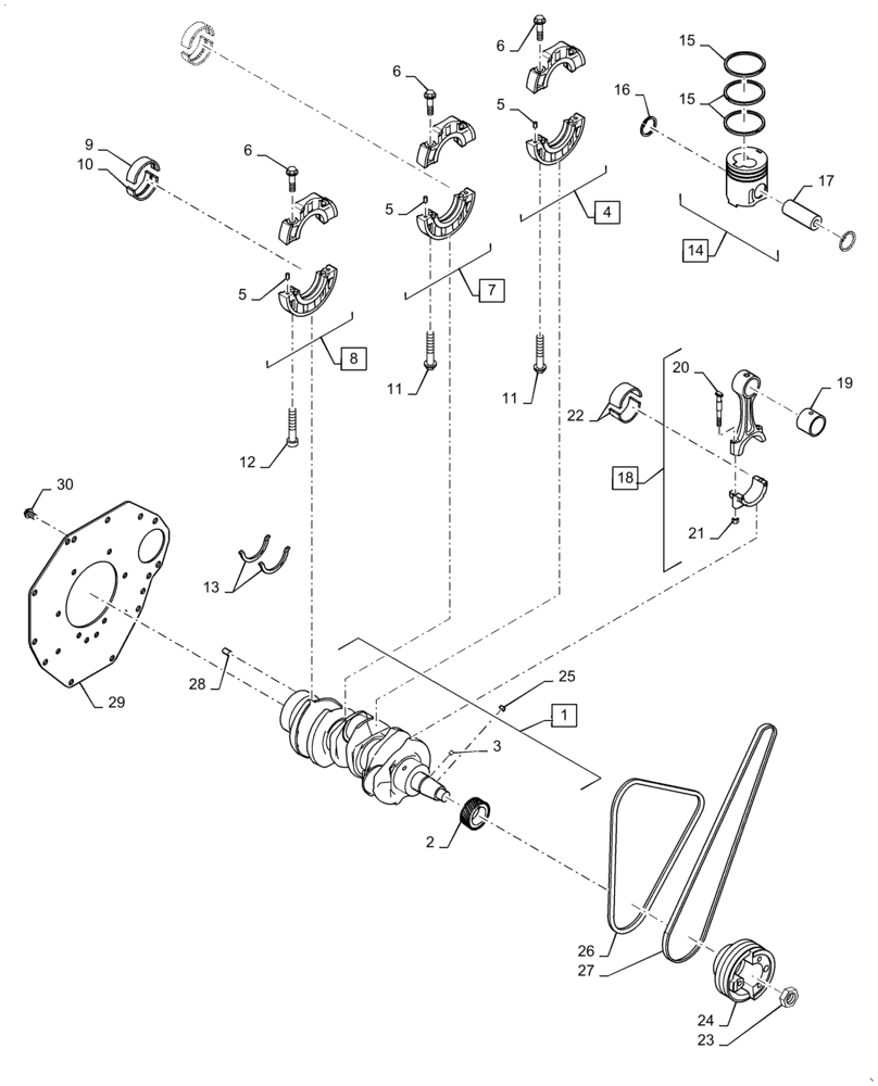
Запчасти Case IH FARMALL 30A (10.103.AA[01]) - CRANKSHAFT PULLEY & HUB (10) - ENGINE

Схема запчастей Case IH FARMALL 30A - (10.103.AA[01]) - CRANKSHAFT PULLEY & HUB (10) - ENGINE
3
21
9
16
5
6
11
28
8
14
24
27
2
11
6
10
5
25
12
6
13
29
30
7
1
23
22
17
15
4
20
19
26
18
5
15
FIT
1:1
100%

Артикул

Название

Примечание

Количество

1

MT40285067

CRANKSHAFT

Incl 2 - 3

1шт.

2

MT40283300

GEAR

Crankshaft

1шт.

3

MT40283222

PIN

Dowel

1шт.

4

MT40285049

HOLDER

Bearing Assy, Incl 5 - 6

1шт.

5

MT40283218

PIN

Dowel

6шт.

6

MT40282954

BOLT

6шт.

7

MT40285050

HOLDER

Bearing Assy, Incl 5 - 6

1шт.

8

MT40285051

HOLDER

Bearing Assy, Incl 5 - 6

1шт.

9

MT40283485

NEEDLE BEARING

Metal Upper, Standard

3шт.

10

MT40283486

NEEDLE BEARING

Metal Lower, Standard

3шт.

11

MT40282956

BOLT

2шт.

12

MT40285025

BOLT

2шт.

13

MT40283496

THRUST WASHER

2шт.

14

MT40285065

PISTON & RINGS KIT

Incl 15

1шт.

15

MT40283297

PISTON RINGS KIT

3шт.

16

MT40283224

SNAP RING

6шт.

17

MT40283301

PISTON PIN

3шт.

18

MT40285066

CONNECTING ROD

Assy, Incl 19 - 21

3шт.

19

MT40285583

BUSHING

1шт.

20

MT40283298

BOLT

Connecting Rod

2шт.

21

MT40282998

NUT

2шт.

22

MT40283487

NEEDLE BEARING

Metal Pin, Standard

6шт.

23

MT40282996

NUT

1шт.

24

MT40285068

PULLEY

Crankshaft

1шт.

25

MT40283223

KEY

1шт.

26

MT40285459

V-BELT

1шт.

27

MT40285048

V-BELT

1шт.

28

MT40283216

COILED PIN

Spring

1шт.

29

MT40285052

PLATE

Rear

1шт.

30

MT40282978

BOLT

10шт.

Выбрано товаров: 30