Запчасти Case IH FARMALL 30A (21.130.BC[03]) - SHIFT LEVER, RANGE GEAR, MECHANICAL (21) - TRANSMISSION

Схема запчастей Case IH FARMALL 30A - (21.130.BC[03]) - SHIFT LEVER, RANGE GEAR, MECHANICAL (21) - TRANSMISSION
5
1
14
10
15
13
7
11
8
3
4
1
2
6
9
21.120.ab 01
12
FIT
1:1
100%

Артикул

Название

Примечание

Количество

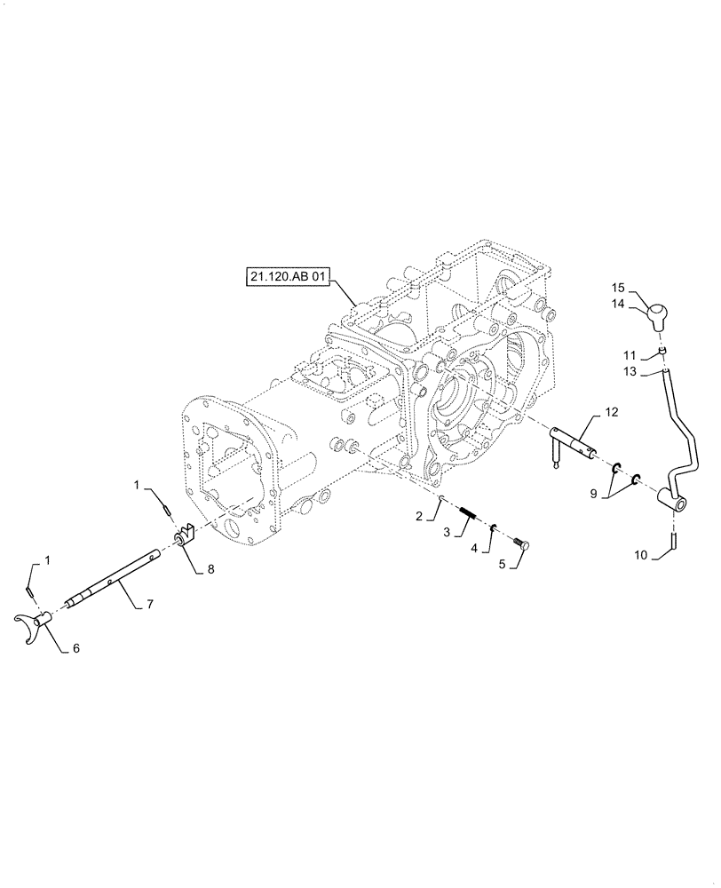
1

MT40270937

PIN,6mm OD x 24mm L

2шт.

2

MT40010339

BALL

Shift Fork

1шт.

3

MT40011943

SPRING,7.2mm OD x 22mm L

1шт.

4

MT40029196

O-RING,2.4mm Thk x 9.8mm ID

1шт.

5

MT40009498

BOLT

Rail, H9

1шт.

6

MT40009187

FORK

Range High

1шт.

7

MT40009624

RAIL ASSY.,16mm OD x 310mm L

1шт.

8

MT40009861

RAIL ASSY.

HST

1шт.

9

MT40010270

ADAPTER

Range

1шт.

10

MT40029204

O-RING,2.4mm Thk x 15.8mm OD

1шт.

11

MT40029047

NUT,Hex, M10 x 1.25

1шт.

12

MT40012467

LEVER

Range #1

1шт.

13

MT40235680

LEVER

Range Hand

1шт.

14

MT40232608

KNOB

HST, Range

1шт.

15

MT40232606

KNOB

Mech, Range

1шт.

Выбрано товаров: 0