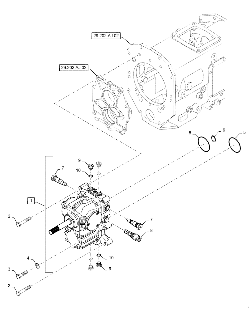
Запчасти Case IH FARMALL 30A (29.202.AJ[01]) - HYDROSTATIC TRANSMISSION (29) - HYDROSTATIC DRIVE

Схема запчастей Case IH FARMALL 30A - (29.202.AJ[01]) - HYDROSTATIC TRANSMISSION (29) - HYDROSTATIC DRIVE
29.202.aj 02
8
4
6
1
9
10
5
3
7
5
7
2
10
2
9
29.202.aj 02
FIT
1:1
100%

Артикул

Название

Примечание

Количество

1

MT40266907

HYDROSTATIC PUMP

Assy, Incl 7 - 10

1шт.

2

MT40028956

BOLT,Hex, M10 x 1.25 x 70mm

4шт.

3

MT40029465

BOLT,M10 x 1.25 x 50mm

2шт.

4

MT40029549

WASHER,10.20mm ID x 18.40mm OD x 2.50mm Thk

Spring

2шт.

5

MT40029227

O-RING,3.1mm Thk x 69.4mm ID

2шт.

6

MT40029271

SNAP RING,M25

1шт.

7

MT40260169

VALVE

Assy, Neutral

2шт.

8

MT40260166

VALVE PRESSURE RELIE

Assy

1шт.

9

MT40260162

PLUG,3/8"

4шт.

10

MT40029201

O-RING,2.4mm Thk x 13.8mm ID

4шт.

Выбрано товаров: 10