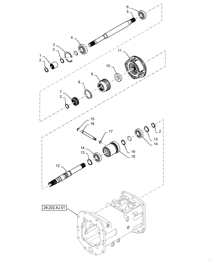
Запчасти Case IH FARMALL 30A (31.110.AH[02]) - PTO SHAFT, HST (31) - IMPLEMENT POWER TAKE OFF

Схема запчастей Case IH FARMALL 30A - (31.110.AH[02]) - PTO SHAFT, HST (31) - IMPLEMENT POWER TAKE OFF
29.202.aj 01
13
7
9
15
5
13
1
19
16
4
17
11
2
8
2
12
3
2
10
14
18
6
2
14
FIT
1:1
100%

Артикул

Название

Примечание

Количество

1

MT40009661

JOINT,28mm OD x 16.7mm ID x 29L

28mm OD x 16.7mm OD x 29mm L

1шт.

2

MT40029265

SNAP RING,M20

5шт.

3

MT40029296

SNAP RING,M52

1шт.

4

MT40012714

BALL BEARING

1шт.

5

MT40009089

SHAFT,25mm OD x 330.5mm L

PTO Main

1шт.

6

MT40012702

BALL BEARING

1шт.

7

MT40010037

JOINT,39.7mm OD x 17.5mm ID x 16L

Hyd Clutch Hub, 39.75mm OD x 17.5mm ID x 6mm L

1шт.

8

MT40029277

SNAP RING,M40

1шт.

9

MT40009734

HUB,59.667mm OD x 38.5mm ID x 41.3L

PTO Hyd Clutch

1шт.

10

MT40012696

BALL BEARING

1шт.

11

MT40007685

CLUTCH

PTO

1шт.

12

MT40009655

SHAFT,25mm OD x 252L

Ind PTO Drive

1шт.

13

MT40029271

SNAP RING,M25

2шт.

14

MT40012697

BALL BEARING

2шт.

15

MT40029238

O-RING,1.50mm Thk x 7.50mm ID

1шт.

16

MT40009793

PIPE,9.8mm OD x 3.5mm ID x 104L

Hyd Clutch Input

1шт.

17

MT40029237

O-RING,1.50mm Thk x 6.50mm ID

1шт.

18

MT40247456

SLEEVE

Hyd Circuit

1шт.

19

MT40258413

OIL SEAL,25.14mm OD x 2.5mm Thk

Ring

2шт.

Выбрано товаров: 19