Запчасти Case IH FARMALL 30B (10.218.01) - FUEL SYSTEM (10) - ENGINE

Схема запчастей Case IH FARMALL 30B - (10.218.01) - FUEL SYSTEM (10) - ENGINE
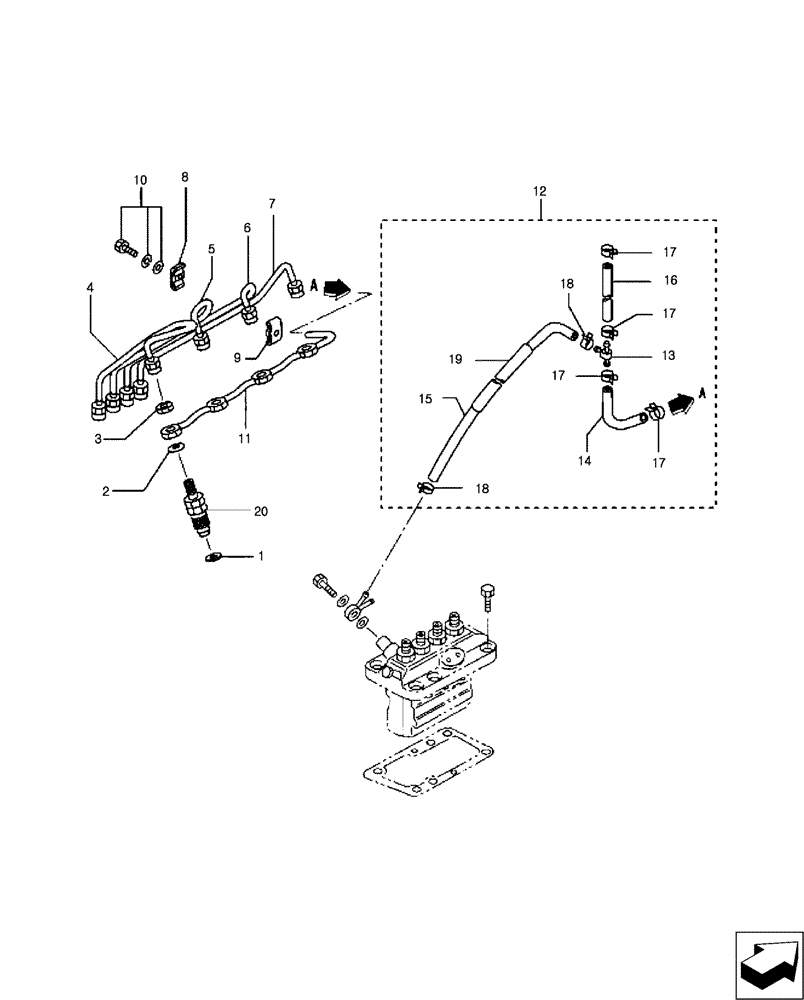
3
17
10
4
9
2
19
8
14
12
16
17
17
1
17
15
6
18
13
20
7
5
18
11
FIT
1:1
100%

Артикул

Название

Примечание

Количество

1

MT40055776

GASKET

4шт.

2

MT40055773

GASKET

4шт.

3

MT40055772

NUT

4шт.

4

MT40224974

PIPE

Injection No. 1

1шт.

5

MT40224975

PIPE

Injection No. 2

1шт.

6

MT40224976

PIPE

Injection No. 3

1шт.

7

MT40233052

INJECTION PIPE

Injection No. 4

1шт.

8

MT40152635

CLAMP

Clamp (A)

3шт.

9

MT40152634

CLAMP

Clamp (B)

3шт.

10

MT40225168

BOLT

3шт.

11

MT40109265

PIPE

Fuel Leak Off

1шт.

12

MT40109262

HOSE

Air Vent Includes: 13-19

1шт.

13

MT40225191

JOINT

1шт.

14

MT40206832

FUEL HOSE

1шт.

15

MT40206833

FUEL HOSE

1шт.

16

MT40152639

FUEL HOSE

1шт.

17

MT40225236

CLIP

2шт.

18

MT40177659

CLIP

4шт.

19

MT40224971

HOSE

Rubber

1шт.

20

MT40052877

NOZZLE

& Holder

4шт.

Выбрано товаров: 20