Запчасти Case IH FARMALL 30B (21.130.02) - RANGE SHIFT LEVER, 4WD LEVER & FORKS - HST (21) - TRANSMISSION

Схема запчастей Case IH FARMALL 30B - (21.130.02) - RANGE SHIFT LEVER, 4WD LEVER & FORKS - HST (21) - TRANSMISSION
8
3
2
15
11
12
14
6
26
17
27
14
10
18
7
20
22
18
1
12
9
23
21
4
24
25
16
13
5
20
15
10
18
2
19
FIT
1:1
100%

Артикул

Название

Примечание

Количество

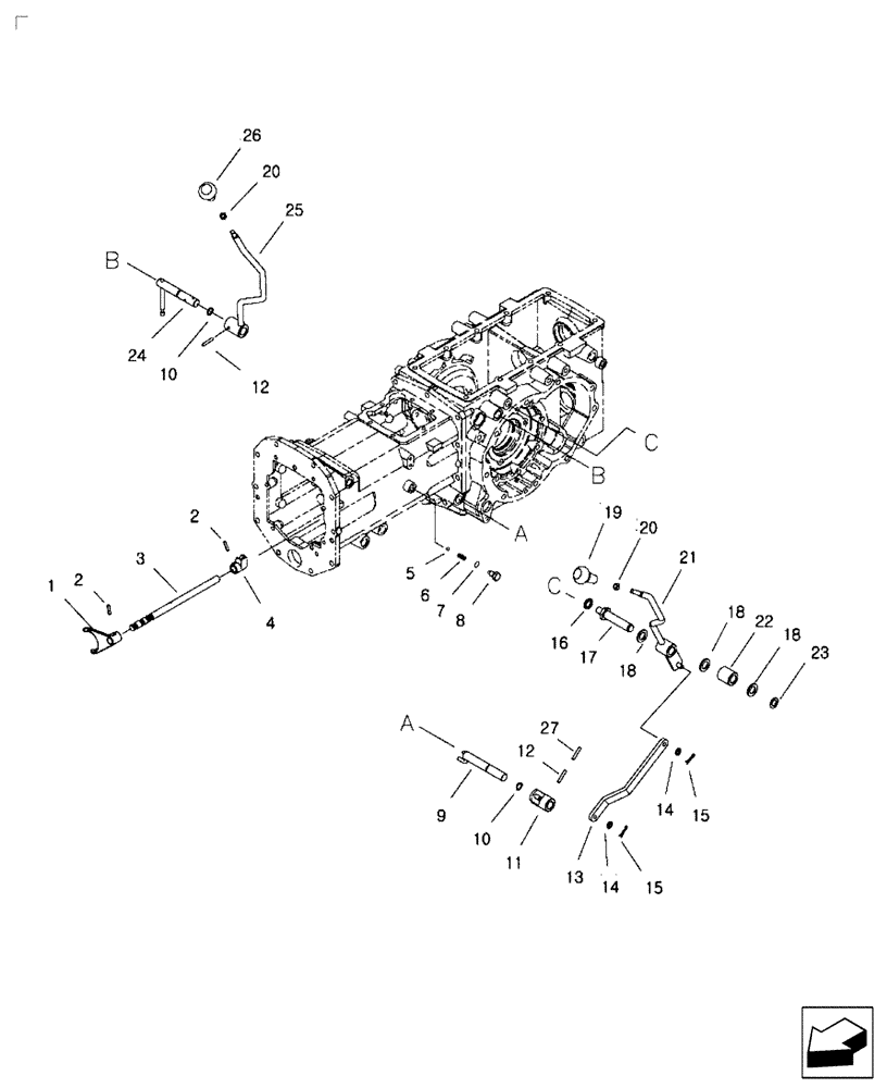
1

MT40009187

FORK

Range High

1шт.

2

MT40029167

PIN,6mm OD x 25mm L

Spring

8шт.

3

MT40009861

RAIL ASSY.

Range

1шт.

4

MT40010270

ADAPTER

Range

1шт.

5

MT40010339

BALL

Shift Fork

1шт.

6

MT40011943

SPRING,7.2mm OD x 22mm L

1шт.

7

MT40029196

O-RING,2.4mm Thk x 9.8mm ID

1шт.

8

MT40009498

BOLT

Rail

1шт.

9

MT40012236

LEVER

FWD

1шт.

10

MT40029204

O-RING,2.4mm Thk x 15.8mm OD

2шт.

11

MT40012481

ARM

PTO

1шт.

12

MT40029172

PIN,6mm OD x 35mm L

Spring

2шт.

13

MT40012245

LINK

FWD

1шт.

14

MT40028158

WASHER,10.50mm ID x 18mm OD x 2mm Thk

Plain O.D. 18 x I.D. 10.5 x 2T

2шт.

15

MT40029132

HAIR PIN COTTER,M10

Snap

2шт.

16

MT40029555

WASHER,16.20mm ID x 28mm OD x 4mm Thk

Spring O.D. 28 x I.D. 16.2 x 4T

1шт.

17

MT40009903

SHAFT

Hand Lever

1шт.

18

MT40028181

WASHER,21mm ID x 37mm OD x 3mm

Plain O.D. 37 x I.D. 21 x 3T

3шт.

19

MT40008384

KNOB

FWD

1шт.

19

MT40261957

KNOB

FWD

1шт.

USED ON & ABOVE PIN # 2107013223 FARMALL 30B, 2109013746 FARMALL 35B

1шт.

20

MT40029047

NUT,Hex, M10 x 1.25

Hex Small M10 x 1.25

2шт.

21

MT40236822

LEVER

HANDLE, Lever, FWD

1шт.

22

MT40010022

SPACER,20mm ID x 35mm OD x 39L

O.D. 35 x I.D. 20 x 39

1шт.

23

MT40029265

SNAP RING,M20

1шт.

24

MT40012467

LEVER

Range #1

1шт.

25

MT40011625

LEVER

Lever, Range Hand

1шт.

26

MT40229196

KNOB

1шт.

27

MT40012772

PIN,4mm OD x 35mm L

Spring

2шт.

Выбрано товаров: 29