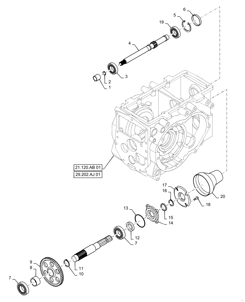
Запчасти Case IH FARMALL 30C (31.201.AG[01]) - PTO DRIVE SHAFT, FARMALL 30C, 35C (31) - IMPLEMENT POWER TAKE OFF

Схема запчастей Case IH FARMALL 30C - (31.201.AG[01]) - PTO DRIVE SHAFT, FARMALL 30C, 35C (31) - IMPLEMENT POWER TAKE OFF
29.202.aj 01
17
14
12
4
8
16
3
7
10
13
11
18
9
20
7
15
1
5
19
21.120.ab 01
2
6
FIT
1:1
100%

Артикул

Название

Примечание

Количество

1

MT40009662

JOINT,28mm OD x 17.5mm ID x 29L

1шт.

2

MT40029265

SNAP RING,M20

1шт.

3

MT40012717

BALL BEARING

1шт.

4

MT40009106

SHAFT,39.2mm OD x 354L

PTO Drive

1шт.

5

MT40029299

SNAP RING,M62

1шт.

6

MT40007516

CAP,62mm OD x 10mm L

Driven Shaft

1шт.

7

MT40012709

BALL BEARING

2шт.

8

MT40010076

SPACER,48.5mm OD x 40mm ID x 27mm L

1шт.

9

MT40009076

GEAR

PTO Driven

1шт.

10

MT40029277

SNAP RING,M40

1шт.

11

MT40009111

SHAFT,40mm OD x 276L

PTO

1шт.

12

MT40012693

OIL SEAL

1шт.

13

MT40029254

O-RING,2 Thk x 69.5mm ID

1шт.

14

MT40009843

COVER

PTO Shaft

1шт.

15

MT40012824

SEAL,37mm ID x 42mm OD, 7.50mm Thk

Dust

1шт.

16

MT40029275

SNAP RING,M35

1шт.

17

MT40011812

GUIDE,1.60mm Thk

PTO Cover

1шт.

18

MT40028948

BOLT,Hex, M10 x 1.25 x 25mm

4шт.

19

MT40012715

BALL BEARING

1шт.

20

MT40012874

COVER

1шт.

Выбрано товаров: 20