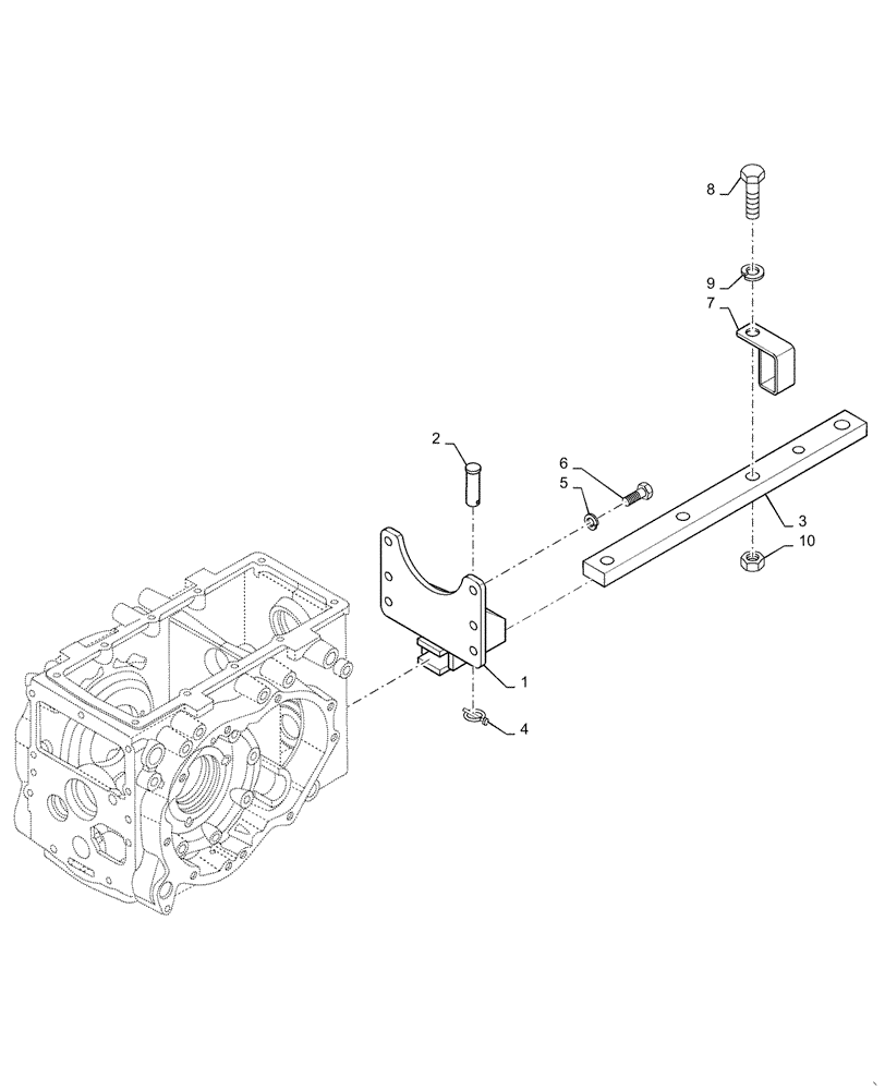
Запчасти Case IH FARMALL 30C (37.100.AA[01]) - DRAWBAR AND HITCH, FARMALL 30C, 35C (37) - HITCHES, DRAWBARS & IMPLEMENT COUPLINGS

Схема запчастей Case IH FARMALL 30C - (37.100.AA[01]) - DRAWBAR AND HITCH, FARMALL 30C, 35C (37) - HITCHES, DRAWBARS & IMPLEMENT COUPLINGS
8
2
10
1
6
3
5
7
9
4
FIT
1:1
100%

Артикул

Название

Примечание

Количество

1

MT40239963

DRAWBAR SUPPORT

Drawbar Hitch

1шт.

2

MT40242861

PIN,25mm OD x 77mm L

1шт.

3

MT40008964

DRAWBAR,50mm x 25mm Thk x 623mm L

Hitch

2шт.

4

MT40242876

PIN

1шт.

5

MT40029553

WASHER,14.20mm ID x 24.50mm OD x 3.50mm Thk

Spring

1шт.

6

MT40029397

BOLT,Hex, M14 x 2 x 40mm

1шт.

7

MT40232319

BRACKET

Chain Support

2шт.

8

MT40076191

BOLT,Hex, M20 x 2.5 x 60mm

1шт.

9

MT40029558

WASHER,20.20mm ID x 33.80mm OD x 5.10mm

Spring

1шт.

10

MT40028773

NUT,Hex, M20 x 2.5

2шт.

Выбрано товаров: 10