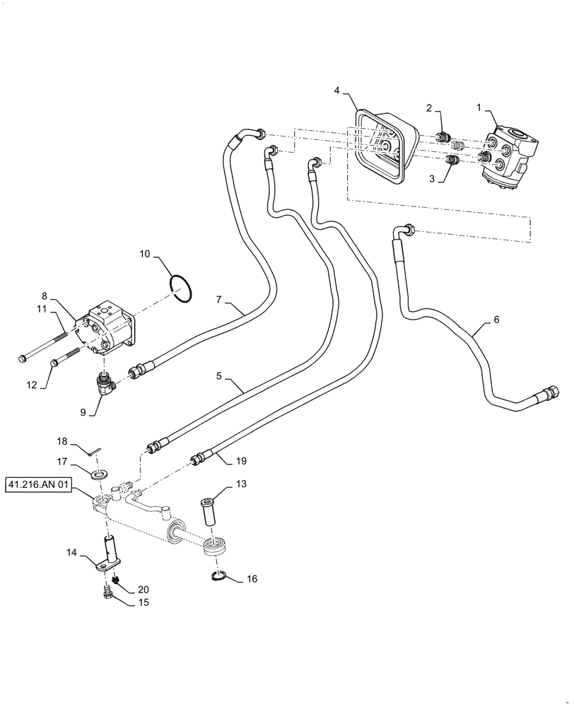
Запчасти Case IH FARMALL 30C (41.216.AN[03]) - STEERING CYLINDER AND LINES, HST, FARMALL 30C, 35C (41) - STEERING

Схема запчастей Case IH FARMALL 30C - (41.216.AN[03]) - STEERING CYLINDER AND LINES, HST, FARMALL 30C, 35C (41) - STEERING
41.216.an 01
1
10
14
6
11
2
5
4
7
13
12
15
17
9
16
8
20
3
19
18
FIT
1:1
100%

Артикул

Название

Примечание

Количество

1

MT40200338

STEERING VALVE

Strg Unit, Normal

1шт.

2

MT40010152

JOINT,3/8" x 3/8"

1шт.

3

MT40010149

JOINT,3/8" x 1/4"

2шт.

4

MT40007310

COVER

Strg Hose

1шт.

5

MT40266751

HOSE,1/4" x 1860mm L

Strg Cyl, LH

1шт.

6

MT40243624

HOSE

Strg Drain

1шт.

7

MT40266753

HOSE,3/8” x 1080mm L

Strg Press

1шт.

8

MT40265895

PUMP

Strg

1шт.

9

MT40265900

ELBOW

Hose

1шт.

10

MT40029225

O-RING,3.1 Thk x 59.4mm ID

1шт.

11

MT40266095

BOLT

2шт.

12

MT40028932

BOLT,Hex, M8 x 1.25 x 75mm

2шт.

13

MT40009475

PIN,20mm OD x 59mm L

Strg Cyl, Incl 20

1шт.

14

MT40279932

PIN

Strg Cyl, Incl 20

1шт.

15

MT40028936

BOLT,M10 x 1.5 x 20mm

1шт.

16

MT40029266

SNAP RING,M20

1шт.

17

MT40028181

WASHER,21mm ID x 37mm OD x 3mm

Plain

1шт.

18

MT40114548

PIN,25mm OD x 40mm L

1шт.

19

MT40266752

HOSE,1/4"

Strg Cyl, RH

1шт.

20

MT40012745

NIPPLE

Grease

2шт.

Выбрано товаров: 20