Запчасти Case IH FARMALL 30C (90.108.AD) - MODEL AND SAFETY DECALS (90) - PLATFORM, CAB, BODYWORK AND DECALS

Схема запчастей Case IH FARMALL 30C - (90.108.AD) - MODEL AND SAFETY DECALS (90) - PLATFORM, CAB, BODYWORK AND DECALS
34
29
24
34
3
35
20
26
33
20
1
19
11
23
11
30
5
17
22
29
25
31
23
14
14
16
4
16
10
22
15
6
30
24
27
26
21
19
15
27
18
6
35
18
10
12
34
1
33
5
7
28
7
17
8
13
9
25
9
3
32
13
28
8
32
21
35
29
7
12
31
2
2
14
4
FIT
1:1
100%

Артикул

Название

Примечание

Количество

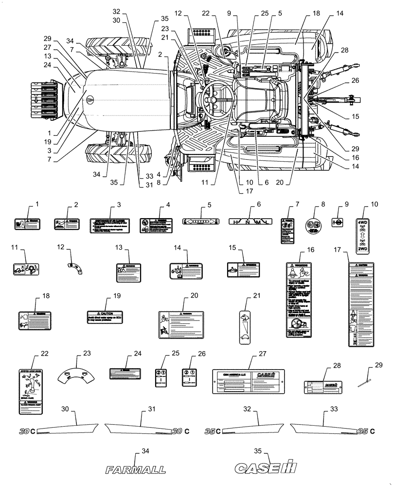
1

MT40297729

DECAL

Radiator

1шт.

2

MT40239636

DECAL

Muffler Warning

1шт.

3

NSS

NOT SOLD SEPARAT

Air Cleaner, Info In Op Manual

1шт.

4

MT40195651

DECAL

Start Warning

1шт.

5

MT40279848

DECAL

Hydr Draft

1шт.

6

MT40287539

DECAL

Shifter, HST ROPS

1шт.

7

MT40239638

WARNING DECAL

Fan Belt

2шт.

8

MT40241059

DECAL

Fuel

1шт.

9

MT40008815

DECAL

Diff Lock

1шт.

10

MT40032976

DECAL

4WD Shift

1шт.

11

MT40008821

DECAL

Flow Control

1шт.

12

MT40008540

DECAL

Key Switch

1шт.

13

MT40239639

WARNING DECAL

Battery

1шт.

14

MT40229994

WARNING DECAL

Operation

2шт.

15

MT40195650

DECAL

PTO

1шт.

16

MT40234561

WARNING DECAL

ROPS, LH & RH

2шт.

17

MT40195656

DECAL

Driver Caution

1шт.

18

MT40195652

DECAL

Hydr Oil Warning

1шт.

19

MT40283939

CAUTION DECAL

ECU

1шт.

20

MT40234715

WARNING DECAL

ROPS

1шт.

21

MT40232389

DECAL

ACC Lever

1шт.

22

MT40226388

DECAL

Joystick

1шт.

23

MT40189937

DECAL

PTO On, Off Switch

1шт.

24

MT40254070

DECAL

Jump Start Warning

1шт.

25

MT40256190

DECAL

AUX Lever

1шт.

26

MT40256191

DECAL

AUX Control

1шт.

27

MT40233307

PLATE

Name Plate, Front

1шт.

28

MT40293821

PLATE

Name Plate, Rear

1шт.

29

MT40029187

RIVET,3.2mm OD x 10mm L

Blind

4шт.

30

MT40293809

DECAL

Model 30C, LH

1шт.

31

MT40293810

DECAL

Model 30C, RH

1шт.

32

MT40293811

DECAL

Model 35C, LH

1шт.

33

MT40293812

DECAL

Model 35C, RH

1шт.

34

MT40256434

DECAL

Farmall

2шт.

35

MT40295322

DECAL

Case IH

2шт.

36

MT40229989

EXTERNAL REFLECTOR

LH, RH Rops

2шт.

Выбрано товаров: 36