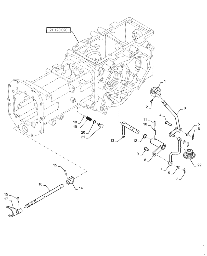
Запчасти Case IH FARMALL 30C (21.130.BC[07]) - SHIFTING UNIT, HST RANGE GEAR, FARMALL 30C, 35C (21) - TRANSMISSION

Схема запчастей Case IH FARMALL 30C - (21.130.BC[07]) - SHIFTING UNIT, HST RANGE GEAR, FARMALL 30C, 35C (21) - TRANSMISSION
21.120.020
2
15
8
7
13
15
12
4
20
14
1
6
5
21
22
10
3
18
17
16
6
11
19
9
5
FIT
1:1
100%

Артикул

Название

Примечание

Количество

1

MT40276120

KNOB

Range Shift, HST

1шт.

2

MT40029025

SCREW,M4 x 1.41 x 16mm L

Tpg, Crs

1шт.

3

MT40255049

LEVER

Range Shift

1шт.

4

MT40113954

PIN,10mm OD x 40mm L

1шт.

5

MT40028158

WASHER,10.50mm ID x 18mm OD x 2mm Thk

Plain

3шт.

6

MT40029132

HAIR PIN COTTER,M10

3шт.

7

MT40255051

LINK

Range Shift

1шт.

8

MT40255062

ARM

Range Shift

1шт.

9

MT40113928

PIN,10mm OD x 25mm L

1шт.

10

MT40029172

PIN,6mm OD x 35mm L

Spring

1шт.

11

MT40012772

PIN,4mm OD x 35mm L

Spring

1шт.

12

MT40029204

O-RING,2.4mm Thk x 15.8mm OD

1шт.

13

MT40012467

LEVER

Range

1шт.

14

MT40010270

ADAPTER

Range

1шт.

15

MT40270937

PIN,6mm OD x 24mm L

2шт.

16

MT40009861

RAIL ASSY.

Range

1шт.

17

MT40009187

FORK

Range High

1шт.

18

MT40010339

BALL

Shift Fork

1шт.

19

MT40011943

SPRING,7.2mm OD x 22mm L

1шт.

20

MT40029196

O-RING,2.4mm Thk x 9.8mm ID

1шт.

21

MT40009498

BOLT

Rail

1шт.

22

MT40254280

COVER

PTO Lever

1шт.

Выбрано товаров: 22