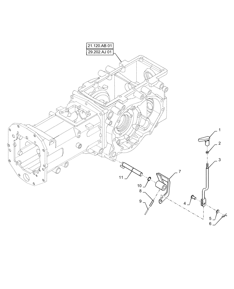
Запчасти Case IH FARMALL 30C (23.101.AL[01]) - SHIFTING UNIT, 4WD, FARMALL 30C, 35C (23) - FOUR WHEEL DRIVE SYSTEM

Схема запчастей Case IH FARMALL 30C - (23.101.AL[01]) - SHIFTING UNIT, 4WD, FARMALL 30C, 35C (23) - FOUR WHEEL DRIVE SYSTEM
5
3
2
8
7
11
9
4
21.120.ab 01
10
1
29.202.aj 01
6
FIT
1:1
100%

Артикул

Название

Примечание

Количество

1

MT40008386

KNOB

4WD

1шт.

2

MT40029040

NUT,Hex, M8 x 1.25

1шт.

3

MT40272343

LEVER

4WD

1шт.

4

MT40029108

HEADED PIN,M10 x 20mm

1шт.

5

MT40028158

WASHER,10.50mm ID x 18mm OD x 2mm Thk

Plain

1шт.

6

MT40029132

HAIR PIN COTTER,M10

1шт.

7

MT40255063

LEVER

4WD

1шт.

8

MT40029172

PIN,6mm OD x 35mm L

Spring

1шт.

9

MT40012772

PIN,4mm OD x 35mm L

Spring

1шт.

10

MT40029204

O-RING,2.4mm Thk x 15.8mm OD

1шт.

11

MT40012236

LEVER

4WD

1шт.

Выбрано товаров: 11