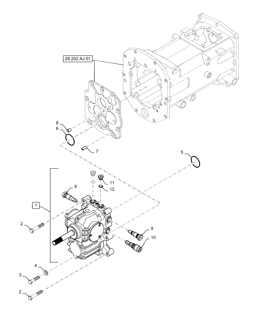
Запчасти Case IH FARMALL 30C (29.202.AJ[01]) - HYDROSTATIC TRANSMISSION, FARMALL 30C, 35C (29) - HYDROSTATIC DRIVE

Схема запчастей Case IH FARMALL 30C - (29.202.AJ[01]) - HYDROSTATIC TRANSMISSION, FARMALL 30C, 35C (29) - HYDROSTATIC DRIVE
29.202.aj 01
9
9
11
10
7
2
2
6
3
12
8
1
5
4
FIT
1:1
100%

Артикул

Название

Примечание

Количество

1

MT40266907

HYDROSTATIC PUMP

Assy, Incl 9 - 12

1шт.

2

MT40028956

BOLT,Hex, M10 x 1.25 x 70mm

4шт.

3

MT40029465

BOLT,M10 x 1.25 x 50mm

2шт.

4

MT40029549

WASHER,10.20mm ID x 18.40mm OD x 2.50mm Thk

Spring

2шт.

5

MT40029226

O-RING,3.1mm Thk x 64.4mm ID

1шт.

6

MT40029227

O-RING,3.1mm Thk x 69.4mm ID

1шт.

7

MT40112494

PIN,10mm OD x 28mm L

1шт.

8

MT40029102

PIN,M10 x 20mm L

1шт.

9

MT40260169

VALVE

Assy, Neutral

2шт.

10

MT40260166

VALVE PRESSURE RELIE

Assy

1шт.

11

MT40260162

PLUG,3/8"

4шт.

12

MT40029201

O-RING,2.4mm Thk x 13.8mm ID

4шт.

Выбрано товаров: 12