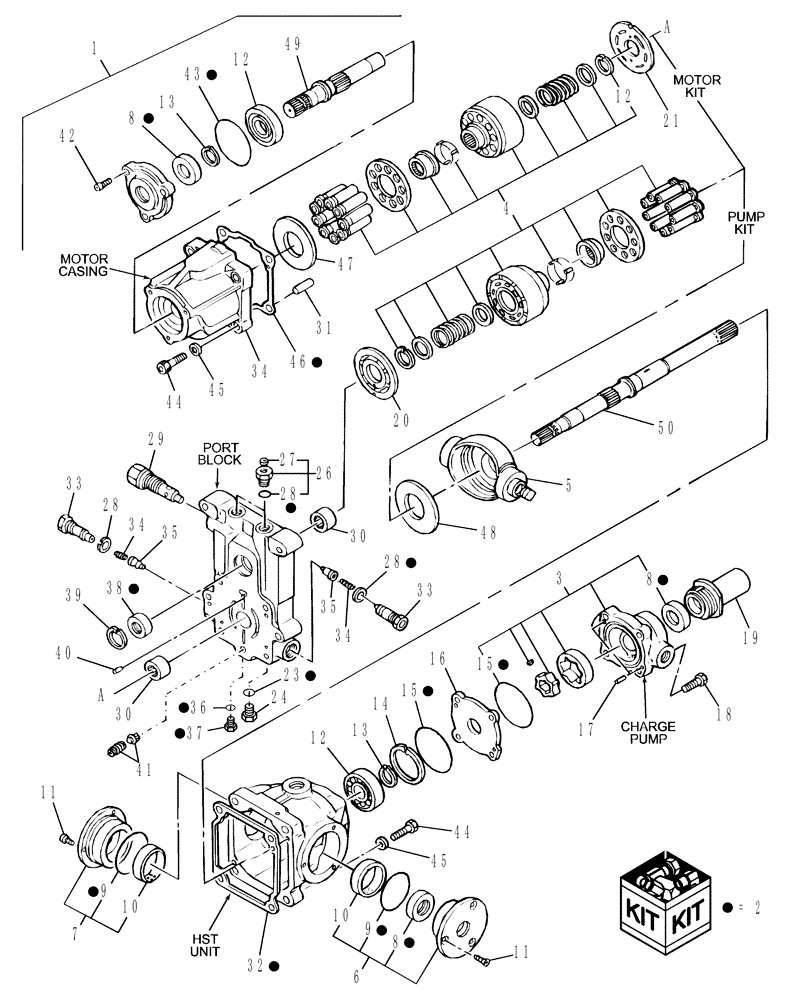
Запчасти Case IH FARMALL 31 (03.16) - HST (03) - TRANSMISSION

Схема запчастей Case IH FARMALL 31 - (03.16) - HST (03) - TRANSMISSION
30
43
11
15
28
36
37
38
26
8
20
41
32
9
8
35
13
39
9
48
28
6
10
47
33
44
42
33
14
28
1
11
34
18
13
21
24
5
45
3
8
23
27
34
40
45
12
17
34
31
7
50
30
19
15
12
a
29
49
16
4
10
12
35
46
a
44
FIT
1:1
100%

Артикул

Название

Примечание

Количество

1

SBA322800220

TRANSMISSION, HYDROS

Includes: Ref. 2 - 50

1шт.

1

SBA322800220C

CORE-TRANSMISSION

Return Number, Hydrostatic Transmission

1шт.

1

SBA322800221R

REMAN-TRANSMISSION

Remanufactured Hydrostatic Transmission

1шт.

1

SBA322800221C

CORE-TRANSMISSION

Return Number, Hydrostatic Transmission

1шт.

2

SBA322840940

SEAL PACKAGE

1шт.

3

SBA322840941

HYDROSTATIC PUMP

Key shown is 9.25mm OAL x 3mm wide x 3.70mm max height

1шт.

4

SBA322840884

CYLINDER BLOCK

Kit

2шт.

5

SBA322840887

PLATE

1шт.

6

SBA322840942

COVER ASSY

Includes: Ref. 8, 9 & 10

1шт.

7

SBA322840943

COVER ASSY

Includes: Ref. 9 & 10

1шт.

8

SBA322840944

SEAL

Oil

3шт.

9

SBA052300650

O-RING,64.4mm ID x 3.1mm Width

G25

2шт.

10

SBA322840947

BUSHING

2шт.

11

SBA015200614

SCREW

6шт.

12

20996680

BALL BEARING,25mm ID x 62mm OD x 17mm W

2шт.

13

370002

CIRCLIP,M25, External

2шт.

14

370012

RING,M62, Internal

1шт.

15

SBA322840894

O-RING

2шт.

16

SBA322840620

PLATE

1шт.

17

SBA030500616

DOWEL,M6 x 16

2шт.

18

86531614

HEX SOC SCREW,M8 x 35mm, Cl 12.9

4шт.

19

SBA322840630

SUPPORT

1шт.

20

SBA322840889

PLATE

Valve

1шт.

21

SBA322840890

PLATE

Valve

1шт.

22

SBA322840779

PIN

2шт.

23

SBA052110110

O-RING

2шт.

24

SBA322840813

PLUG

2шт.

26

SBA322840110

PLUG

2шт.

27

SBA322840130

GASKET

1шт.

28

SBA052110140

O-RING

2шт.

29

SBA322840948

VALVE PRESSURE RELIE

High

1шт.

30

SBA322840490

NEEDLE BEARING

2шт.

31

SBA030500612

DOWEL

5шт.

32

SBA322840946

GASKET

1шт.

33

SBA322840777

PLUG

Neutral Valve

2шт.

34

SBA322840840

SPRING

2шт.

35

SBA322840843

VALVE POPPET

2шт.

36

SBA052110080

O-RING

1шт.

37

SBA322840896

PLUG

1шт.

38

SBA322840945

OIL SEAL

1шт.

39

300642

CIRCLIP,M35 x 1.5mm W, Internal

1шт.

40

SBA322840700

PIN

1шт.

41

SBA322840320

KIT

Valve, Relief

1шт.

42

86512135

HEX SOC SCREW,M6 x 1 x 20mm, Cl 12.9

3шт.

43

SBA322840893

O-RING

1шт.

44

SBA010701035

BOLT

8шт.

45

SBA026200010

WASHER

8шт.

46

SBA322840680

GASKET

1шт.

47

SBA322840560

THRUST PLATE

1шт.

48

SBA322840898

THRUST PLATE

1шт.

49

SBA322840540

SHAFT

Output

1шт.

50

SBA322840888

SHAFT

Input

1шт.

Выбрано товаров: 52