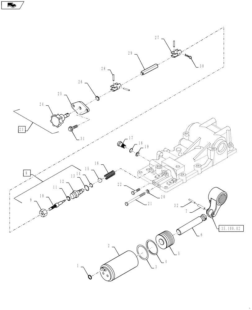
Запчасти Case IH FARMALL 35B (35.100.07) - HYDRAULIC CYLINDER (35) - HYDRAULIC SYSTEMS

Схема запчастей Case IH FARMALL 35B - (35.100.07) - HYDRAULIC CYLINDER (35) - HYDRAULIC SYSTEMS
29
26
3
32
21
12
home
5
9
11
20
14
30
7
27
16
23
22
15
2
17
6
35.100.02
1
13
10
28
4
19
25
31
8
18
24
FIT
1:1
100%

Артикул

Название

Примечание

Количество

1

MT40029202

O-RING,2.4mm Thk x 13.8mm ID

D13.8 x W2.4

1шт.

2

MT40011327

CYLINDER,70mm Bore Dia

Hydraulic I.D. 70 x 190L

1шт.

3

MT40007429

O-RING,71mm ID x 59.6mm OD x 5.7mm L

Hydraulic Piston O.D. 71 x I.D. 59.6 x 5.7L

2шт.

4

MT40008346

BACK-UP RING,60mm ID x 70mm OD x 3mm Thk

Back-Up O.D. 80 x I.D. 70 x 3T

2шт.

5

MT40009908

PISTON,70mm ID x 60mm L

Hydraulic I.D. 80 x 53L

1шт.

6

MT40010017

PISTON ROD,183.5mm L

O.D. 32 x 183.5L

1шт.

7

MT40029181

PIN,8mm OD x 55mm L

Spring D8 x 55L

1шт.

8

MT40008115

VALVE

Regulator Incl 9 - 14

1шт.

9

MT40010340

BALL

NUT, O.D. 22 x 17L - M8 x 1.5

1шт.

10

MT40008161

VALVE

SCREW, SPEED ADJUSTMENT O.D. 12 x 89L

1шт.

11

MT40008161

VALVE

O-RING D5.8 x W1.9

1шт.

12

MT40010340

BALL

BODY, REGULATOR VALVE H22 x 51L

1шт.

13

MT40029202

O-RING,2.4mm Thk x 13.8mm ID

D13.8 x W2.4

1шт.

14

MT40029195

O-RING,1.9mm Thk x 9.8mm ID

D9.8 x W1.9

1шт.

15

MT40010340

BALL

Steel

1шт.

16

MT40012356

SPRING,8.6mm OD x 31.5mm L

Locking Valve D1.4 x D8.6 x 31.5L

1шт.

17

MT40008161

VALVE

Safety

1шт.

18

MT40029206

O-RING,2.40mm Thk x 17.80mm ID

D17.8 x W2.4

1шт.

19

MT40012093

SEAL,10.5mm ID x 18mm OD x 1.0 Thk

Plug O.D. 18 x I.D. 10.5 x 1.0T

1шт.

20

MT40029549

WASHER,10.20mm ID x 18.40mm OD x 2.50mm Thk

Spring O.D. 18.4 x I.D. 10.2 x 2.5T

2шт.

21

MT40029485

BOLT,Hex, M10 x 1.25 x 120mm

Hex M10 x 1.25 x 120L

2шт.

22

MT40028952

BOLT,Hex, M10 x 1.25 x 45mm

Hex W/Washer M10 x 1.25 x 45L

1шт.

23

MT40008136

KNOB

D/Speed Includes: Ref. 24-29

1шт.

24

NS

NOT SERVICED

Fuel O.D. 19 x 62.5L

1шт.

25

NS

NOT SERVICED

Knob

1шт.

26

NS

NOT SERVICED

1шт.

27

NS

NOT SERVICED

CONNECTION END O.D. 18 x I.D. 8.2 x 28.5L

2шт.

28

NS

NOT SERVICED

Spring D3 x 20L

3шт.

29

NS

NOT SERVICED

CONNECTOR H8 X 70l

1шт.

30

MT40029135

PIN,M16

Snap

1шт.

31

MT40028966

BOLT,Hex, M6 x 1 x 20mm

Hex W/Washer M6 x 1 x 20L

2шт.

32

MT40029166

PIN,5mm OD x 55mm L

Spring D5 x 55L

1шт.

Выбрано товаров: 32