Запчасти Case IH FARMALL 35B (37.100.01) - DRAWBAR HITCH - TELESCOPIC (37) - HITCHES, DRAWBARS & IMPLEMENT COUPLINGS

Схема запчастей Case IH FARMALL 35B - (37.100.01) - DRAWBAR HITCH - TELESCOPIC (37) - HITCHES, DRAWBARS & IMPLEMENT COUPLINGS
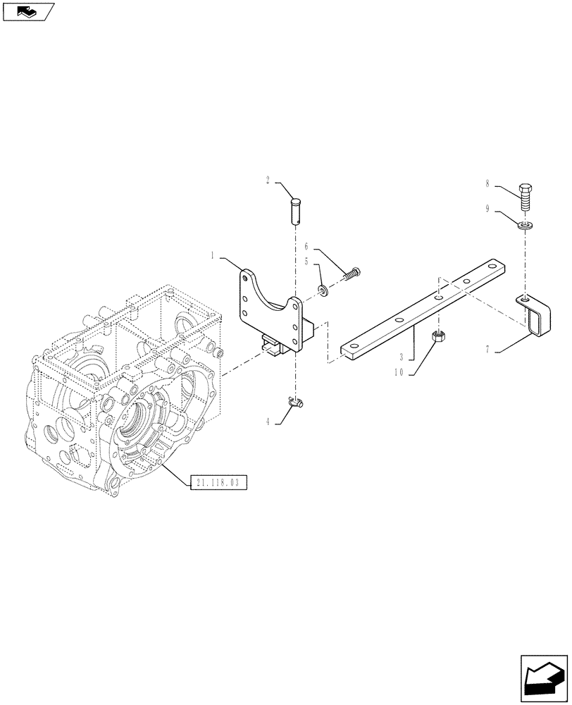
2
8
3
21.118.03
home
10
4
7
5
6
1
9
FIT
1:1
100%

Артикул

Название

Примечание

Количество

1

MT40239963

DRAWBAR SUPPORT

DRAWBAR SUPPORT, Hitch

1шт.

2

MT40242861

PIN,25mm OD x 77mm L

PIN, Drawbar Pivot D25 x 77L

1шт.

3

MT40008964

DRAWBAR,50mm x 25mm Thk x 623mm L

Hitch

1шт.

4

MT40242876

PIN

PIN, LINCH

1шт.

5

MT40029553

WASHER,14.20mm ID x 24.50mm OD x 3.50mm Thk

Spring O.D. 24.5 x I.D. 14.2 x 3.5T

6шт.

6

MT40029397

BOLT,Hex, M14 x 2 x 40mm

Hex M14 x 2 x 40L

6шт.

7

MT40232319

BRACKET

BRACKET - S Chain Support

1шт.

8

MT40076191

BOLT,Hex, M20 x 2.5 x 60mm

BOLT, Hex M20 x 2.5 x 60L

1шт.

9

MT40029558

WASHER,20.20mm ID x 33.80mm OD x 5.10mm

WASHER, Spring O.D. 33.8 x I.D. 20.2 x 5.1T

1шт.

10

MT40028773

NUT,Hex, M20 x 2.5

NUT, Hex M20 x 2.5

1шт.

Выбрано товаров: 10