Качественные детали и логистика
Оригинальные и аналоговые запчасти с доставкой по России, Казахстану и Беларуси
©2022 PartSell ООО "Система" ИНН 2463123282 ОГРН 1212400004838
Центральный офис: г. Красноярск, Академика Киренского, д.87, пом.4
Телефон: 8 (800) 777-65-74 Email: zakaz@partsell.ru
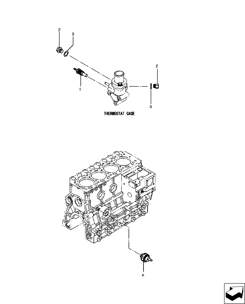
(55.414.02) - WATER TEMPERATURE GAUGE, DRAIN PLUG & OIL PRESSURE SWITCH
№
Артикул
Название
Примечание
Количество
1
MT40052872
TEMPERATURE SENDER
Water
1шт.
3
MT40124376
PLUG
Plug, Drain
2шт.
4
MT40224909
WASHER
Sealing
5
MT40109287
MFD SWITCH
Oil
Выбрано товаров: 0