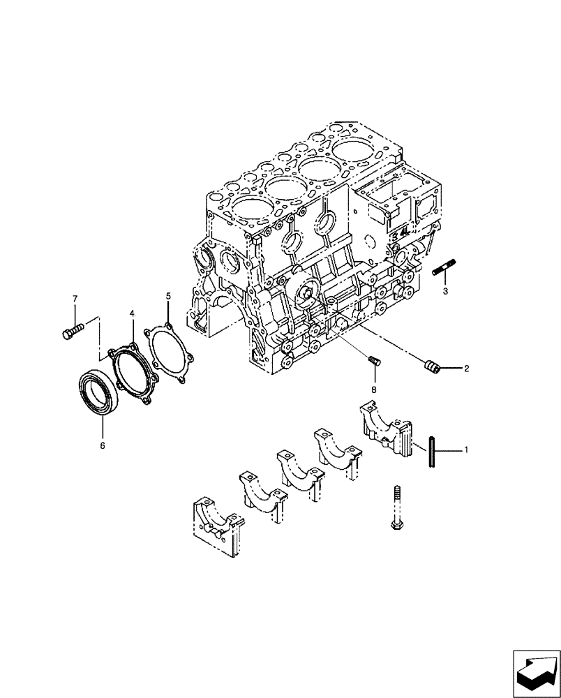
Запчасти Case IH FARMALL 35B (10.001.04) - OIL SEALS & OIL FILTER SHAFT (10) - ENGINE

Схема запчастей Case IH FARMALL 35B - (10.001.04) - OIL SEALS & OIL FILTER SHAFT (10) - ENGINE
4
8
6
1
7
2
5
3
FIT
1:1
100%

Артикул

Название

Примечание

Количество

1

MT40109211

SEAL

Side

1шт.

2

MT40224930

SHAFT

Oil Filter

1шт.

3

MT40109205

STUD

2шт.

4

MT40109207

CASE

Oil Seal

1шт.

5

MT40109208

GASKET

Oil Seal Case

1шт.

5

MT40109203

SEAL

Oil

1шт.

7

MT40225143

BOLT

5шт.

8

MT40177599

PLUG

1шт.

Выбрано товаров: 8