Запчасти Case IH FARMALL 35B (29.200.03[02]) - HST CONTROL & PEDALS 35B (29) - HYDROSTATIC DRIVE

Схема запчастей Case IH FARMALL 35B - (29.200.03[02]) - HST CONTROL & PEDALS 35B (29) - HYDROSTATIC DRIVE
12
15
10
17
14
home
14
14
11
3
23
20
2
18
6
19
8
9
21
1
88.100.04
13
16
4
7
22
5
FIT
1:1
100%

Артикул

Название

Примечание

Количество

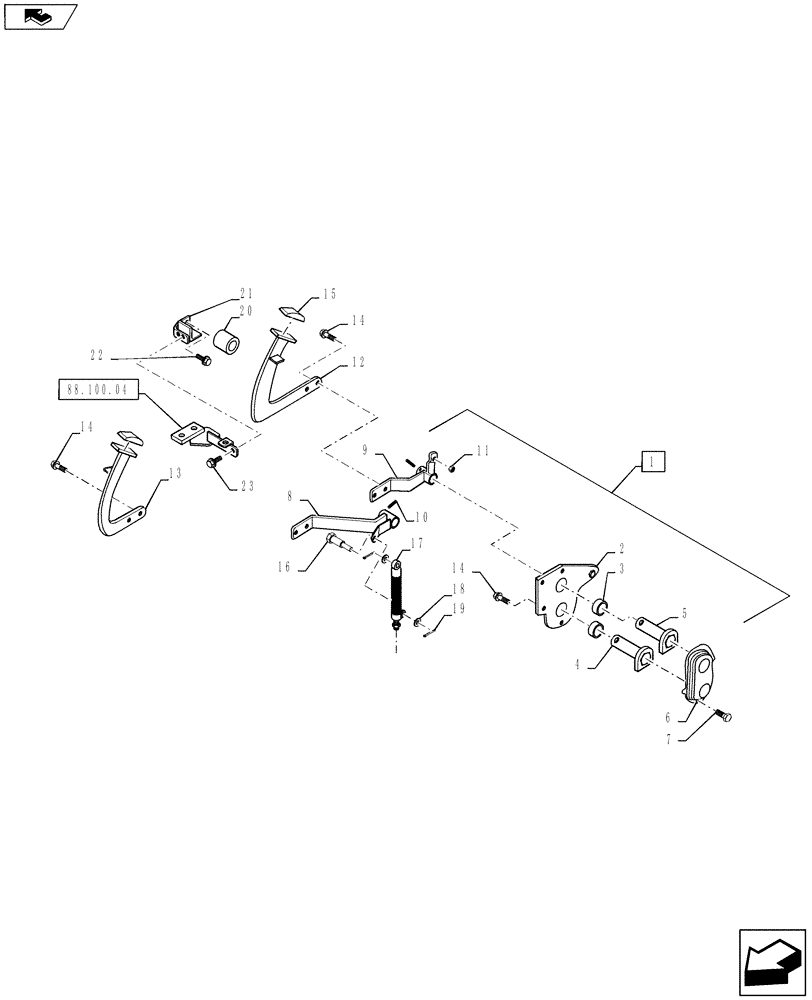
1

MT40013020

CONTROLLER

HST Includes: Ref. 2-10

1шт.

2

MT40011440

PLATE

Base

1шт.

3

MT40012935

BUSHING

#76

2шт.

4

MT40012477

SHAFT

A

1шт.

5

MT40012478

SHAFT

B

1шт.

6

MT40008311

COVER,1mm Thk

Dust

1шт.

7

MT40028909

BOLT,Hex, M6 x 1 x 12mm

Hex, M6 x 1 x 12L

2шт.

8

MT40011443

ARM

Pedal A

1шт.

9

MT40011444

ARM

Pedal B

1шт.

10

MT40029173

PIN,6mm OD x 36mm L

Spring

2шт.

11

MT40027836

NUT

Lock

1шт.

12

MT40011059

PEDAL

Forward, Serial Range: -2109014794

1шт.

12

MT40274942

PEDAL

Forward, Start Serial: 2109014795

1шт.

13

MT40011060

PEDAL

Reverse, Serial Range: -2109014065

1шт.

13

MT40275780

PEDAL

Reverse, Start Serial: 2109014066

1шт.

14

MT40028948

BOLT,Hex, M10 x 1.25 x 25mm

M10 x 1.25 x 25L

7шт.

15

MT40232475

RUBBER PEDAL PAD

Pedal

2шт.

16

MT40012784

PIN,M10 x 1.25

M10 x 1.25

1шт.

17

MT40007686

DAMPER

1шт.

18

MT40028157

WASHER,8.40mm ID x 15.50mm OD x 1.60mm Thk

Plain, O.D. 15.5 x I.D. 8.4 x 1.6T

2шт.

19

MT40029119

PIN,20mm OD x 20mm L

2шт.

20

MT40181852

MAGNET

Cruise

1шт.

21

MT40012241

BRACKET

Bracket, Magnet

1шт.

22

MT40028924

BOLT,Hex, M8 x 1.25 x 30mm

Hex, W/Washer M8 x 1.25 x 30L

2шт.

23

MT40029008

BOLT,Hex, M8 x 1.25 x 25mm

Hex W/Washer M8 x 1.25 x 25L

2шт.

Выбрано товаров: 25