Запчасти Case IH FARMALL 35B (33.120.03) - BRAKE PEDALS - HST (33) - BRAKES & CONTROLS

Схема запчастей Case IH FARMALL 35B - (33.120.03) - BRAKE PEDALS - HST (33) - BRAKES & CONTROLS
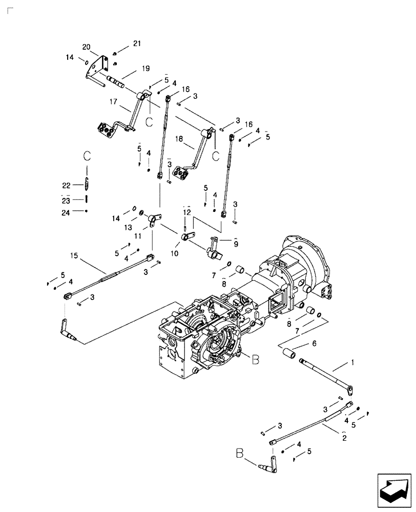
18
4
4
23
11
4
10
13
3
9
14
21
3
5
19
3
3
16
15
17
16
5
20
3
6
12
5
3
4
2
8
1
7
22
14
5
7
4
5
3
5
5
4
8
4
24
5
4
3
FIT
1:1
100%

Артикул

Название

Примечание

Количество

1

MT40011965

SHAFT,25mm OD x 469mm L

Brake Pedal D25.0 x 469 OL

1шт.

2

MT40012059

ROD

Brake

1шт.

3

MT40009617

PIN,10mm ID x 14mm OD x 26mm L

O.D. 14.0 x I.D. 10.0 x 26.0L

8шт.

4

MT40028171

WASHER,10.5mm ID x 21mm OD x 2mm Thk

Plain O.D. 21 x I.D. 10.5 x 2T

8шт.

5

MT40029121

PIN,25mm OD x 20mm L

Split D25 x 20L

8шт.

6

MT40010069

SPACER,25mm ID x 45mm OD x 74mm L

O.D. 45.0 x I.D. 25.0 x 74.0L

1шт.

7

MT40029211

O-RING,3.50mm Thk x 24.70mm ID

D24.7 x W3.5

2шт.

8

MT40009874

BUSHING

2шт.

9

MT40011354

ARM

Parking Brake

1шт.

10

MT40012055

ARM

Brake, LH

1шт.

11

MT40012405

ARM

Brake, LH

1шт.

12

MT40029179

PIN,Spring, M8 x 40mm L

Spring, D8 x 40L

1шт.

13

MT40028184

WASHER,25mm ID x 44mm OD x 4mm Thk

Plain O.D. 44 x I.D. 25 x 4T

1шт.

14

MT40029271

SNAP RING,M25

D25

2шт.

15

MT40013049

ROD

Brake

1шт.

16

MT40013058

ROD

Brake 604.0L

2шт.

17

MT40010986

PEDAL

Brake LH HST

1шт.

18

MT40010989

PEDAL

Brake RH HST

1шт.

19

MT40009481

SHAFT

Brake Pedal D26.0 x 138.5L

1шт.

20

MT40011433

STOP DEVICE

Clutch Pedal

1шт.

21

MT40029006

BOLT,Hex, M8 x 1.25 x 20mm

Hex W/Washer M8 x 1.25 x 20

2шт.

22

MT40011959

SPRING,16mm x 2.30mm Dia x 80mm L

D2.3 X D16 X 80L

2шт.

23

MT40012132

BOLT,Adj, 8mm OD

Adjuster O.D. 8

2шт.

24

MT40012797

NUT,M8 x 1.25

Lock, M8 x 1.25

2шт.

Выбрано товаров: 24