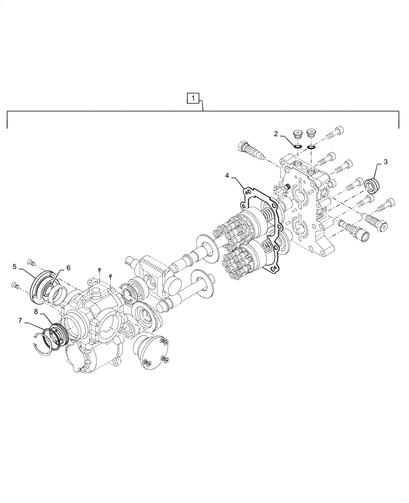
Запчасти Case IH FARMALL 35C (29.202.AJ[04]) - HYDROSTATIC PUMP, SEAL KIT (29) - HYDROSTATIC DRIVE

Схема запчастей Case IH FARMALL 35C - (29.202.AJ[04]) - HYDROSTATIC PUMP, SEAL KIT (29) - HYDROSTATIC DRIVE
5
7
4
3
1
8
6
2
FIT
1:1
100%

Артикул

Название

Примечание

Количество

1

MT40286563

SEAL KIT

Incl 2-8

1шт.

2

NSS

NOT SOLD SEPARAT

1шт.

3

NSS

NOT SOLD SEPARAT

1шт.

4

NSS

NOT SOLD SEPARAT

1шт.

5

NSS

NOT SOLD SEPARAT

1шт.

6

NSS

NOT SOLD SEPARAT

1шт.

7

NSS

NOT SOLD SEPARAT

1шт.

8

NSS

NOT SOLD SEPARAT

1шт.

Выбрано товаров: 8